2025年高职单招《电子电工类》每日一练试题09月26日

2025-09-26 16:44:20 来源:勒克斯教育网

课程 题库
分享到空间 分享到新浪微博 分享到QQ 分享到微信

2025年高职单招《电子电工类》每日一练试题09月26日,可以帮助我们积累知识点和做题经验,进而提升做题速度。通过高职单招每日一练的积累,助力我们更容易取得最后的成功。

判断题

1、三相用电器正常工作时,加在各相上的端电压等于电源线电压。()

答 案:错

2、LC振荡器是靠负反馈来稳定振幅的。()

答 案:错

单选题

1、在桥式整流电路中接入电容器C 滤波后,外特性(    )  

  • A:变好            
  • B:变坏            
  • C:不变            
  • D:不能确定

答 案:B

2、引起直流放大电路零点漂移的因素很多,其中最难控制的是(    )  

  • A:半导体器件参数的变化             
  • B:电路中电容和电阻数值的变化
  • C:电源电压的变化                   
  • D:电路元器件老化

答 案:A

多选题

1、多级直流放大电路中,影响零点漂移最严重的一级是     ,零点漂移最大的一级是    (    )  

  • A:输入级         
  • B:中间级         
  • C:输出级         
  • D:增益最高的一级

答 案:A;C

2、一个16选1的数据选择器,其选择控制(地址)输入端有     个,数据输入端有 个,输出端有       个。(   )  

  • A:1                               
  • B:2                              
  • C:4                               
  • D:16

答 案:CDA

主观题

1、一个容量为637μF的电容器,接在电压u=220√2sin(314t-60°)V的电源上。求: (1)通过电容器的电流为多少,并写出电流的解析式; (2)电路的无功功率是多少。  

答 案:(1)44A,44√2sin(314t+30°)V (2)9680var  

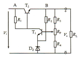
2、串联型稳压电路如图所示,已知R₃=680Ω,R₄=470Ω,RP=470Ω, 稳压管的稳压值VZ=5.3V,三极管发射结压降VBE=0.7V。 (1)该电路的取样、比较放大、基准电压和调整环节各由哪些元件组成? (2)求输出电压的可调范围。 (3)若由于负载变重导致输出电压发生波动,试分析其稳压过程。 (4)若将电阻R₁由 A 点改接到B 点时对输出电压Vo有什么影响? (5)若将稳压管接反,对输出电压Vo有什么影响? (6)若T₁管发射结击穿,对输出电压Vo有什么影响?  

答 案:解:(1)取样:R3、R4、RP 串联电路 比较放大:T1管 、R1 基准电压:R2、DZ 调整环节:T2管 (2)Vomin≈10.3v,Vomax=20.7v (3)RL↓ →Vo↓ →VB1↓ →VC1↑ →VB2↑→ IB2↑ →RCE2↓ →VCE2↓ →Vo↑ (4)T2 截止,Vo =0 (5)下降,接近于 0 (6)增大  

填空题

1、某电阻丝上的电压为220V,流过它的电流为5A,则它的电功率为        若连续通电10分钟,则消耗的电能为          。  

答 案:1100W;6.6×105J

2、三相异步电动机的额定功率PN=8kW,UN=380V,cos=0.85,=0.8,可推算额定电流IN=()。  

答 案:17.9A

温馨提示:因考试政策、内容不断变化与调整,本站提供的以上信息仅供参考,如有异议,请考生以权威部门公布的内容为准!
备考交流
单招真题交流3群
扫一扫或点击二维码入群
猜你喜欢
换一换
阅读更多内容,狠戳这里