2025年高职单招《电子电工类》每日一练试题05月26日

2025-05-26 16:33:51 来源:勒克斯教育网

课程 题库
分享到空间 分享到新浪微博 分享到QQ 分享到微信

2025年高职单招《电子电工类》每日一练试题05月26日,可以帮助我们积累知识点和做题经验,进而提升做题速度。通过高职单招每日一练的积累,助力我们更容易取得最后的成功。

判断题

1、共阴接法发光二极管数码显示器需选用有效输出为高电平的七段显示译码器来驱动。(    )  

答 案:对

2、编码与译码是互逆的过程。(     )  

答 案:对

单选题

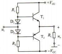
1、在图中,静态时,晶体管发射极电位UEQ()  

  • A:大于0V
  • B:等于0V
  • C:小于0V
  • D:不能确定

答 案:B

2、有一对称三相纯电阻负载,三相电阻均100Ω,连成三角形并接到线电压为380V的对称三相电源上,则三相负载总的功率为()  

  • A:2.51kW
  • B:4.33kW
  • C:1.44kW
  • D:2.66kW

答 案:B

多选题

1、如图所示功率放大电路是(),输出信号在过零处出现的失真是()。()  

  • A:OCL功率放大电路
  • B:OTL功率放大电路
  • C:甲类功率放大电路
  • D:甲乙类功率放大电路
  • E:交越失真
  • F:饱和失真
  • G:截止失真
  • H:频率失真

答 案:BE

2、电路通电测试,当IC1的输出为低电平时,VD1、VD2同时发光,无法正确指示快充与慢充状态,可能的原因有(多选)  

  • A:R1阻值偏大
  • B:R1阻值偏小
  • C:R阻值偏小
  • D:R:阻值偏大

答 案:AC

主观题

1、已知一电感L=80mH,外加电压uL=100sin(314t+65°)V。试求: (1)感抗XL; (2)电感中的电流IL; (3)电流瞬时值iL。  

答 案:(1)XL≈25Ω (2)IL=2√2A (3)iL=4sin(314t-25°)A  

2、如下图所示是一个由555定时器构成的防盗报警电路,a、b两端被一细铜丝接通,此铜丝置于盗窃者必经之路,当盗窃者闯入室内将铜丝碰断后,扬声器即发出报警声。 (1)试问555接成何种电路? (2)说明本报警电路的工作原理。  

答 案:(1)多谐振荡器; (2)当细铜丝不断时, 555定时器的置成低电平,使 Q输出始终为低电平,喇叭不响。当细铜丝拉断时, 555定时器的置成高电平, Q输出方波信号,喇叭发出报警声。  

填空题

1、地球的南极是地磁场的           极。  

答 案:北

2、实际电气设备大多为()性设备,功率因数往往()。若要提高感性电路的功率因数,常采用人工补偿法进行调整,即在()。  

答 案:感;较低;感性线路(或设备)两端并联适当电容

温馨提示:因考试政策、内容不断变化与调整,本站提供的以上信息仅供参考,如有异议,请考生以权威部门公布的内容为准!
备考交流
单招真题交流3群
扫一扫或点击二维码入群
猜你喜欢
换一换
阅读更多内容,狠戳这里