2025-07-22 17:36:43 来源:勒克斯教育网
2025年高职单招《机电专业》每日一练试题07月22日,可以帮助我们积累知识点和做题经验,进而提升做题速度。通过高职单招每日一练的积累,助力我们更容易取得最后的成功。
判断题
1、当加在二极管两端的电压一定时,流经二极管的电流还会随环境温度的改变而改变。
答 案:对
2、硅二极管的反向漏电流比锗二极管的反向漏电流大。
答 案:错
单选题
1、锯削薄板工件时,为避免损坏锯条,应尽可能从()
答 案:C
2、一般情况下()可以用来代替小修
答 案:D
多选题
1、在链传动的布置中,正确的布置有()
答 案:AC
2、与液压传动相比,下列元件中属气压传动专用的有()。
答 案:BC
主观题
1、电路如图所示,求电路中的电流I及UAB。
答 案:9A 、18V
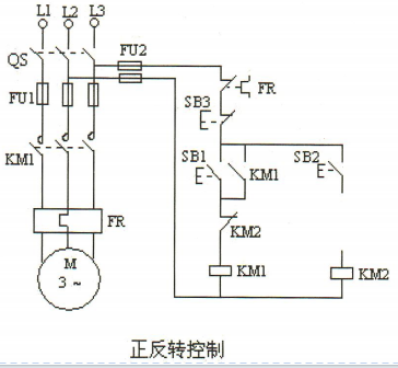
2、(1)补齐三相交流异步电动机用辅助触点作互锁保护的可逆起动控制电路,并回答下列问题。说明元器件的名称及功能:FR的名称为(),功能是();SB3的名称为()功能是()
(2)分析电路按下SB1时的工作状态:(3)试用PLC实现该控制功能,画出梯形图。
答 案:
填空题
1、机械工业部组织设计了5种标准化汽缸系列为:

答 案:
2、控制油液流动方向的阀称为()控制阀。包括()阀和()阀两大类。
答 案:方向 单向 换向