2025-09-22 17:43:33 来源:勒克斯教育网
2025年高职单招《机电专业》每日一练试题09月22日,可以帮助我们积累知识点和做题经验,进而提升做题速度。通过高职单招每日一练的积累,助力我们更容易取得最后的成功。
判断题
1、单相可控整流电路输出直流电压的范围为0~U2之间。
答 案:错
2、用万用表不同的电阻档测量二极管的正反向电阻,读数不同。
答 案:对
单选题
1、淬硬性主要取决于()
答 案:A
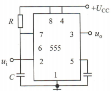
2、下图所示电路是()
答 案:B
多选题
1、交流异步电动机降压起动方式很多,各种方式特点各不相同,下列说法正确的是()
答 案:AD
2、电路如图,要使静态时的Vce增大,可采用的方法是()
答 案:AD
主观题
1、工艺性能
答 案:工艺性能:金属材料在加工过程中所表现出来的特性。
2、放大电路如图所示,假设晶体管的β非常大,导通电压0.7V,VCC=+12V求ICQ,UCEQ的值。
答 案:ICQ=2mA. UCEQ=6.3V
填空题
1、高速钢刀具一般采用切削液,粗加工时多采用以冷却作用为主的切削液,如()和();精加工时采用以润滑为主的()
答 案:水溶液 乳化液 切削油
2、外圆车削大致工艺顺序为荒车、粗车、()、精车和精细车。为了保证细长轴的车削质量主要采取的措施是刀具参数、进给方向、装夹方法和()
答 案:半精车 适当减少进给量和背吃刀量