2025-10-11 17:29:59 来源:勒克斯教育网
2025年高职单招《机械基础》每日一练试题10月11日,可以帮助我们积累知识点和做题经验,进而提升做题速度。通过高职单招每日一练的积累,助力我们更容易取得最后的成功。
判断题
1、若z<17,又不允许产生根切,可以采用变位齿轮。()
答 案:对
解 析:当z<17,又不允许产生根切时,可以采用变位齿轮。故正确。
2、链传动承载能力大,适于在高温、潮湿、有油气、多粉尘等恶劣条件下工作。()
答 案:对
解 析:链传动承载能力大,适于在高温、潮湿、有油气、多粉尘等恶劣条件下工作。故正确。
单选题
1、如图所示,一螺栓连接受挤压,其挤压面形状及面积分别是()


答 案:B
解 析:螺栓左侧与构件接触的部分受到挤压力,因此挤压面形状为外方内圆的环形,挤压面积
。故B正确。
2、铰链四杆机构中,若最短杆与最长杆长度之和小于其余两杆长度之和,则为了获得曲柄摇杆机构,其机架应取()
答 案:B
解 析:由于铰链四杆机构中最短杆与最长杆的长度之和小于其他两杆的长度之和,即满足杆长条件,因此为了获得曲柄摇杆机构,必须以最短杆的相邻杆为机架。故B正确。
主观题
1、某传动装置中有一对渐开线标准直齿圆柱齿轮(正常齿),小齿轮的齿数z1=28,齿顶圆直径da1=90mm,中心距a=135mm。试计算模数m、大齿轮的齿数z2、齿顶圆直径da2、齿根圆直径df2以及基圆直径db2。(cos20°=0.94,sin20°=0.34)
答 案:由da1=m(z1+2h*a)可得,
由
可得
da2=m(z2+2h*a)=3×(62+2)mm=192mm,
df2=m(z2-2h*a-2c*)=3×(62-2.5)mm=178.5mm,
db2=mz2cosα=3×62×0.94mm=174.84mm。
2、绘制单出杆活塞式液压缸、双出杆活塞式液压缸的图形符号。
答 案:单出杆活塞式液压缸、双出杆活塞式液压缸的图形符号分别如图甲、乙所示。
填空题
1、链传动张紧的目的是避免在链条垂度过大时产生(),带传动张紧的目的是()。
答 案:啮合不良和振动,调节带的初拉力
解 析:链传动张紧的目的是避免在链条垂度过大时产生啮合不良和振动。带传动工作一段时间后就会由于塑性变形而松弛,使初拉力减小,传动能力下降,这时也需要重新张紧。
2、液压传动是用()作为工作介质来传递动力和进行控制的传动方式,属于()传动。
答 案:液体,流体
解 析:液压传动是以液体为工作介质,利用液体压力来传递动力和进行控制的传动方式,属于流体传动。
简答题
1、链传动的类型很多,列举出两个生产、生活中的链传动实例。
答 案:叉车的货叉升降机构采用了链传动。某些汽车发动机的正时传动、机油泵传动等都广泛地采用了链传动。CA6140型车床的主轴变速操纵机构中采用了链传动。
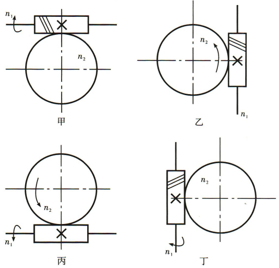
2、判断下图所示蜗轮、蜗杆的旋转方向或旋向,并绘制相应的旋转符号或旋向符号。
(1)判断图甲中蜗轮的旋转方向。
(2)判断图乙中蜗杆的旋转方向。
(3)判断图丙中蜗杆的旋向。
(4)判断图丁中蜗轮的旋转方向。
答 案: