2025-09-14 16:56:20 来源:勒克斯教育网
2025年高职单招《电子技术基础》每日一练试题09月14日,可以帮助我们积累知识点和做题经验,进而提升做题速度。通过高职单招每日一练的积累,助力我们更容易取得最后的成功。
判断题
1、普通编码器任何时候只允许输入一个有效编码信号,否则输出代码就会发生混乱。()
答 案:对
解 析:普通编码器与优先编码器的区别在于,普通编码器任何时刻只允许输入一个编码信号,优先编码器允许同时输入两个及以上的编码信号。故正确。
2、滤波电路的主要元件是电容和电感。()
答 案:对
解 析:滤波电路的形式很多,可以分为电容输入式和电感输入式,分别采用电容和电感元件。故正确。
3、与异步计数器比较,同步计数器的显著优点是工作速度快。()
答 案:对
解 析:异步计数器与同步计数器相比较,异步计数器的结构简单,但由于各触发器异步翻转,所以工作速度低;同步计数器电路结构复杂,但工作速度快。故正确。
单选题
1、欲设计0、1、2、3、4、5、6、7这几个数的计数器,如果设计合理,采用同步二进制计数器,最少应使用()级触发器。()
答 案:B
解 析:计数器表示8个状态,23=8,因此最少应使用三级触发器。故B正确。
2、TTL集成电路74LS138是3线-8线译码器,译码器为输出低电平有效,当输人为A2A1A0=101时,输出
为()
答 案:B
解 析:当74LS138输入为A2A1A0=101时,输出
为1101111。故B正确。
3、分压式偏置放大电路稳定静态工作点的原理是利用了()
答 案:C
解 析:分压式偏置放大电路主要是为了给放大电路提供一个稳定的基极静态电流,从而保证电路的稳定性和对信号放大的保真度,因而选择直流电流负反馈。故C正确。
主观题
1、在如图甲所示的JK触发器中,已知J、K、CP端的电压波形如图乙所示,试画出Q和
端对应的电压波形。设触发器的初始状态为Q=0。
答 案:Q和
端对应的电压波形如图所示。
2、一个逻辑电路有三个输入逻辑变量A、B、C,它的真值表如下表所示,试写出该逻辑函数的最小项表达式。
答 案:根据真值表求最小项表达式的一般方法是: ①写出使函数L=1的各行所对应的最小项;
②将这些最小项相加,即得到最小项表达式。
L(A,B,C)=m3+m5+m6。
=∑m(3,5,6)
3、如图甲所示逻辑电路,已知CP和X的波形如图乙所示,试画出输出Q1、Q2的波形。设触发器的初始状态均为0。
答 案:题图所示电路为两级下降沿JK触发器组成的电路,第一级下降沿JK触发器J=K=1,构成T触发器,即在CP脉冲信号下降沿翻转一次;第二级下降沿JK触发器J=K,构成T触发器,当J=K=1时,
,当J=K=0时,Qn+1=Qn(保持)。输出的Q1、Q2波形如图所示。 
填空题
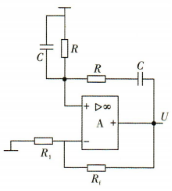
1、文氏电桥振荡电路如图所示,已知R=12kΩ,C=0.03μF,电路满足()的条件参数时,电路方能起振;电路的振荡频率为()。
答 案:R≥2Rf;442Hz
解 析:由振幅平衡条件可得R≥2Rf,振荡频率