2025年高职单招《汽车类》每日一练试题07月23日

2025-07-23 17:39:07 来源:勒克斯教育网

课程 题库
分享到空间 分享到新浪微博 分享到QQ 分享到微信

2025年高职单招《汽车类》每日一练试题07月23日,可以帮助我们积累知识点和做题经验,进而提升做题速度。通过高职单招每日一练的积累,助力我们更容易取得最后的成功。

判断题

1、油气弹簧是利用气体的可压缩性实现弹簧作用。()

答 案:对

2、在减速至加速的过渡期中,点火正时根据情况暂时提前或延迟。()

答 案:对

3、链传动安装保护罩是为了安全作用。()

答 案:对

4、在我国,汽车是指由自身装备的动力装置驱动,一般具有四个车轮,且在陆地上行驶的车辆。()

答 案:对

单选题

1、蒸发器鼓风机电机为直流电机,其转速改变是通过()来实现的。

  • A:调整电机电路的电阻值
  • B:改变电机的匝数
  • C:改变电源电压值
  • D:调整电机电路的电压

答 案:A

2、下列理论循环中,与汽油机实际循环相似的是()。

  • A:混合加热循环
  • B:定容加热循环
  • C:定压加热循环
  • D:卡诺循环

答 案:B

3、下列工况中,不是采用开环控制的是()。

  • A:怠速运转时
  • B:发动机起动时
  • C:节气门全开或大负荷时
  • D:氧传感器正常工作时

答 案:D

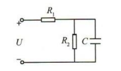
4、如图所示,已知U=10V,R1=2Ω,R2=8Ω,C=100μF,则电容两端的电压Uc为()。  

  • A:10V
  • B:8V
  • C:2V
  • D:0V

答 案:B

多选题

1、前照灯电子控制装置主要由()等组成。

  • A:执行器
  • B:光敏器件
  • C:电磁继电器
  • D:电子控制电路

答 案:BCD

解 析:前照灯电子控制装置主要由光敏器件、电磁继电器和电子控制电路等组成。

2、一部完整机器,就其功能而言,可分为()。

  • A:动力部分
  • B:传动部分
  • C:执行部分
  • D:控制部分

答 案:ABCD

温馨提示:因考试政策、内容不断变化与调整,本站提供的以上信息仅供参考,如有异议,请考生以权威部门公布的内容为准!
备考交流
单招真题交流3群
扫一扫或点击二维码入群
猜你喜欢
换一换
阅读更多内容,狠戳这里