2025年高职单招每日一练《机电专业》10月29日

考试总分:10分

考试类型:模拟试题

作答时间:60分钟

已答人数:379

试卷答案:有

试卷介绍: 2025年高职单招每日一练《机电专业》10月29日专为备考2025年机电专业考生准备,帮助考生通过每日坚持练习,逐步提升考试成绩。

开始答题

试卷预览

  • 1. 直接耦合放大电路只要有输入信号,输出端就会出现零点漂移。()  

    A

    B

  • 2. 用万用表不同的电阻档测量二极管的正反向电阻,读数不同。  

    A

    B

  • 1. 电荷的基本单位是()。  

    A安秒

    B安培

    C库仑

    D千克

  • 2. 不使用张紧轮的水平或倾斜不大安装的平带开口传动,紧边宜置于()  

    A下方

    B上方

    C任意一方

  • 1. 工艺系统热变形引起加工误差中,使工件车削过程中产生圆柱度误差的是()  

    A机床热变形

    B工件热变形

    C刀具热变形

    D机床导轨热变形

  • 2. 在RC串联电路中,电压的表达式应为()  

    AU=UR+UC

    B

    C

    DU=I(R+XC)

  • 1. 硬质合金  
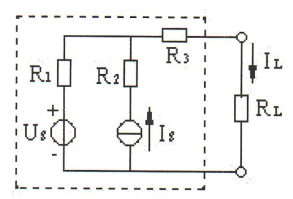
  • 2. 如图所示电路中,已知R1=R2=R3=RL=5Ω,US=10V,IS=1A。用戴维南定理求:RL上的电流IL;
  • 1. 工件位置的不确定性,称为自由度。定位的任务就是()  
  • 2. 晶体管的电流放大系数太小时,电流放大作用将(),而电流放大系数太大时,又会使晶体管的性能()