2025年高职单招每日一练《机电专业》7月10日

考试总分:10分

考试类型:模拟试题

作答时间:60分钟

已答人数:1649

试卷答案:有

试卷介绍: 2025年高职单招每日一练《机电专业》7月10日专为备考2025年机电专业考生准备,帮助考生通过每日坚持练习,逐步提升考试成绩。

开始答题

试卷预览

  • 1. 反相比例运算放大器中,Rf引入的负反馈属于电压串联负反馈。()  

    A

    B

  • 2. 单相可控整流电路输出直流电压的范围为0~U2之间。  

    A

    B

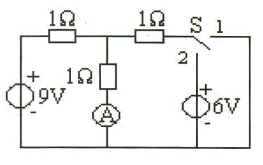
  • 1. 如图所示电路中,已知开关S打在位置1时,电流表读数为3A,当开关S打在位置2时,电流表读数应为()

    A5A

    B1A

    C2A

    D3A

  • 2. 如图所示,为使输出电压UAB=0.1V,则输入电压UEF的值为()

    A0.1V

    B1V

    C10V

    D100V

  • 1. 工作时需成对使用的是()  

    A凸缘联轴器

    B锥形制动器

    C调心滚动轴承

    D万向联轴器

  • 2. 自行车的飞轮是()棘轮机构。  

    A齿啮合式

    B摩擦式

    C外接式子

    D内接式

  • 1. 电路如图所示,已知US=20V,IS=4A,R1=10Ω,R2=500Ω,R3=10Ω求电流I3。
  • 2. 如图2.48所示水平杆AB,A端为固定铰链支座,C重,求绳子的拉力及铰链A的约束反力。  
  • 1. 俄国物理学家()经过大量实验,与1834年发现:感应电流的磁通总是反抗原有磁通的变化。  
  • 2. 图7.1所示铰链四杆机构,LBC=80mm,LCD=65mm,LAD=100mm,使其成为曲柄摇杆机构,LAB的最大值为()mm。