2025年高职单招每日一练《机械专业》9月19日

考试总分:10分

考试类型:模拟试题

作答时间:60分钟

已答人数:1259

试卷答案:有

试卷介绍: 2025年高职单招每日一练《机械专业》9月19日专为备考2025年机械专业考生准备,帮助考生通过每日坚持练习,逐步提升考试成绩。

开始答题

试卷预览

  • 1. 正弦交流电初相位的取值范围为[-2π,2π]。()

    A

    B

  • 2. 戴维南定理可用于计算最大功率。()

    A

    B

  • 3. 互感电动势的大小正比于穿过本线圈的电流变化率。()

    A

    B

  • 1. 轴类零件半精加工后、精加工前安排表面淬火的目的是()  

    A提高表面的耐磨性

    B提高零件的综合力学性能

    C细化晶粒

    D改善切削加工性能

  • 2. 下列关于电阻的说法中,正确的是()  

    A电阻与电压成正比,与电流成反比

    B电阻率p越小,说明导电性能越好

    C由电阻率p的大小可知,铜导线的电阻比铝导线的电阻小

    D导线越细,电阻越小

  • 3. RC串联电路接于大小一定、w可调的正弦电压上,当从0增加到∞时,电流有效值I()  

    A从最大值开始一直减小

    B从0增加到∞

    C从0增加到某个定值

    D以上均错误

  • 1. 凸轮机构中,最少有()和()两个运动过程。
  • 2. 调质钢与正火钢相比,调质后钢的组织是回火索氏体,其渗碳体呈()状,而正火后的索氏体中的渗碳体呈()状。
  • 3. 若要求主、从动轮转向相反,应采用()式的圆柱摩擦轮传动。若要求传递相交轴运动,应采用()摩擦轮传动。
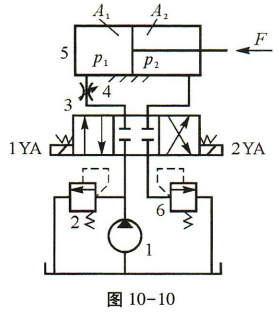
  • 1. 如图10-10所示某液压调速回路,液压缸无杆腔面积A1=50cm²,有杆腔面积A2=20cm²。工作时,通过件4节流阀的流量qvT=3L/min,其工作压差△pT=0.4MPa,件6背压阀的调定压力p6=0.5MPa。液压泵的供油流量qvp=30L/min,活塞杆向右运动时,所受负载F=9kN,向左运动时为空回,不计其他损失。 (1)件2溢流阀的最小调定压力py为多少MPa? (2)活塞杆向右运动时,通过件6背压阀回油箱的流量qv为多少L/min? (3)当活塞杆停止时,系统能量损失P为多少W? (4)若液压泵的总效率为η=0.8,则驱动液压泵的电动机功率P为多少W?