2025年高职单招每日一练《机械专业》8月17日

考试总分:10分

考试类型:模拟试题

作答时间:60分钟

已答人数:1549

试卷答案:有

试卷介绍: 2025年高职单招每日一练《机械专业》8月17日专为备考2025年机械专业考生准备,帮助考生通过每日坚持练习,逐步提升考试成绩。

开始答题

试卷预览

  • 1. 电路中两点之间的电压与路径的选择无关。()

    A

    B

  • 2. 在电阻分压电路中,电阻值越大,其两端分得的电压也越高。()

    A

    B

  • 3. 两种电源模型的等效变换法只适用于线性电路。()

    A

    B

  • 1. 由一个电源和一个电阻器组成的闭合电路中,当电阻器变为原来的4倍时,电路中电流变为原来的,则原外电路电阻与内阻之比为()

    A2:1

    B1:2

    C3:2

    D2:3

  • 2. (2019年高考题)当斜视图旋转配置时,标注该视图名称的大写拉丁字母应靠近()  

    A旋转符号的左面

    B旋转符号的右面

    C旋转符号的上面

    D旋转符号的箭头端

  • 3. 下列选项中,不适用于棘轮机构运动的场合是()的场合。  

    A轻载

    B高速

    C转角小

    D转角大小需要调整

  • 1. 以()为单位简要说明零件的()的工艺文件称为机械加工工艺过程卡片。
  • 2. 在RLC串联电路中,R=40Ω,XL=80Ω,XC=40Ω,接到端电压为30°)V的电源上,则该电路中的电流i=()A,电路的功率因数为()。
  • 3. 一台理想变压器接到电压为380V的交流电源上,一次侧绕组的匝数为500匝,二次侧绕组的匝数为50匝。当在二次侧接上电阻为4Ω的负载时,一次侧绕组中通过的电流为()A,一次侧的输入阻抗为()Ω。
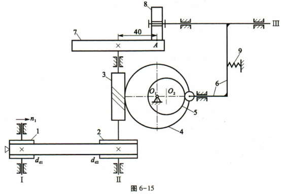
  • 1. (2018年高考题)如图6-15所示为某组合机构的传动简图,动力从I轴输入,n1=540r/min,两带轮的直径关系为dd2=3d1,两带轮的中心距a=4d1;件3、件4为蜗杆传动,z3=1,z4=30;件5(凸轮)与件4(蜗轮)同轴并绕O1转动,件5、件6和机架构成对心凸轮机构,件5的圆心为O2,O1O2=10mm;件7、件8构成摩擦轮传动机构,件8空套在轴Ⅲ上,轴Ⅲ与件6一体并只能左右直线运动,件7在A点的接触半径为40mm,件8的直径为40mm;件9为弹簧,试回答下列问题: (1)V带的主要承力层是()(填“包布层”“伸张层”“强力层”或“压缩层”)。 (2)小带轮包角α1=()。 (3)件7和件8中,轮面较软的是件(),过载时两轮接触处会产生()现象。 (4)图中凸轮机构从动件在运动过程中压力角为零的点有()个。若将件6的末端形式由滚子式换成尖顶式,则件6的运动规律()(填“改变”或“不改变”)。 (5)该组合机构是()副机构。 (6)件6的往复平均运动速度为()mm/s。 (7)件8的最小转速为()r/min。