2025年高职单招每日一练《电子电工类》9月9日

考试总分:10分

考试类型:模拟试题

作答时间:60分钟

已答人数:1651

试卷答案:有

试卷介绍: 2025年高职单招每日一练《电子电工类》9月9日专为备考2025年电子电工类考生准备,帮助考生通过每日坚持练习,逐步提升考试成绩。

开始答题

试卷预览

  • 1. 电感三点式振荡器的输出波形比电容三点式振荡器的输出波形好。()

    A

    B

  • 2. D触发器一般采用上升沿触发。(    )  

    A

    B

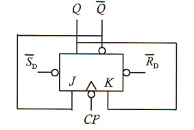
  • 1. 如上右图所示,如果初态Q=0, 则来四个CP 后 ,Q= (    )  

    A0                

    B1                

    CJ                

    DK

  • 2. 一伏特表内阻为1800Ω,现要扩大量程为原来的10倍,则应()  

    A用18000Ω的电阻与伏特表串联

    B用18000Ω的电阻与伏特表并联

    C用16200Ω的电阻与伏特表串联

    D用162002的电阻与伏特表并联

  • 1. 差动放大电路中,当Vs1=300mV,Vs2=200mV时,分解为共模输入信号Vsc 等于 ,差模输入信号Vsd 等于       ,差模信号Vd1等于      。(    )  

    A500mV           

    B100mV         

    C250mV             

    D50mV

  • 2. 下面说法正确的是(    )  

    A电路中R1的作用是充当T1的集电集负载               

    BD1和 D2作用是消除交越失真

    C电路中R1的作用是增大输出功率                     

    DD1和 D2作用是减小三极管的穿透电流

  • 1. 如下图所示电路中所标方向均为参考方向,负载电阻R=8Ω。 (1)求各未知量; (2)标出A、B两端的极性。  
  • 2. 电路如下图所示的三相四线制电路,三相负载连接成星形,已知电源线电压380V, 负载电阻RA=11Ω,RB=RC=22Ω,试求: (1)负载的各相电压、相电流、线电流和三相总功率; (2)中线断开,A 相短路时的各相电流和线电流; (3)中线断开,A 相断开时的各线电流和相电流。  
  • 1. T触发器具有                        功能。  
  • 2. 已知i1=3√2sin(314t+90°)A,i2=4√2sin314tA,则i=i1+i2的表达式为()。