2025年高职单招每日一练《电子电工类》7月23日

考试总分:10分

考试类型:模拟试题

作答时间:60分钟

已答人数:197

试卷答案:有

试卷介绍: 2025年高职单招每日一练《电子电工类》7月23日专为备考2025年电子电工类考生准备,帮助考生通过每日坚持练习,逐步提升考试成绩。

开始答题

试卷预览

  • 1. 磁场的强弱可以用磁感线的疏密表示,磁感线密的地方磁场强,疏的地方磁场弱。()

    A

    B

  • 2. 计数器的模是指输人计数脉冲的个数。(   )  

    A

    B

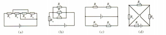
  • 1. 如下图所示的四个电路中,R1≠R2≠R3≠R4, 其中两个相同的电路图是(    )  

    A(a) 和(b)                

    B(a) 和(c)                 

    C(a) 和(d)                 

    D(b) 和(d)

  • 2. 测得一个有源二端网络的开路电压为60V,短路电流3A,若把一个电阻为R=100Ω接到该网络的引出点,则R上的电压为()  

    A60V

    B50V

    C300V

    D0V

  • 1. 电路通电测试,当IC1的输出为低电平时,VD1、VD2同时发光,无法正确指示快充与慢充状态,可能的原因有(多选)  

    AR1阻值偏大

    BR1阻值偏小

    CR阻值偏小

    DR:阻值偏大

  • 2. 多级直流放大电路中,影响零点漂移最严重的一级是     ,零点漂移最大的一级是    (    )  

    A输入级         

    B中间级         

    C输出级         

    D增益最高的一级

  • 1. 如下图所示,以空气为介质的3个电容器的电容分别为C₁=100pF,C₁=200pF, C₃=120pF,电源电动势E=300V,电源内阻忽略不计。 (1)先将开关S₁接通、开关S₂断开时,电容器C₁、C₂的端电压及所带的电荷量各是多少? (2)再将开关S₁断开,把相对介电常数εr=2 的电介质插入到电容器C₁的两极板间,此时A、B两点间的电压是多少? (3)最后将S₂接通,此时A、B两点间的电压是多少?电容C1所带的电荷量是多少?  
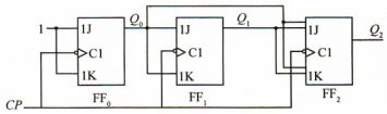
  • 2. 分析下图时序电路的逻辑功能,写出电路的状态方程,设各触发器的初始状态为0,画出电路的状态转换图,说明电路的功能。  
  • 1. 对称三相负载作星形连接,接在380V的三相四线制电源上。此时负载端的相电压等于()倍的线电压;相电流等于()倍的线电流;中线电流等于()。  
  • 2. 右上图中串联电容器组的总电容为()μF,C1两端电压为()V,C2两端电压为()V.