考试总分:10分
考试类型:模拟试题
作答时间:60分钟
已答人数:516
试卷答案:有
试卷介绍: 2025年高职单招每日一练《汽车类》8月21日专为备考2025年汽车类考生准备,帮助考生通过每日坚持练习,逐步提升考试成绩。
A对
B错
A对
B错
A对
B错
A对
B错

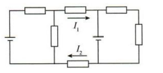
AI1
BI1>I2
CI1=I2
D不确定
A转向节助力式
C齿条助力式
B转向齿轮助力式
D转向柱助力式
AT8F
BT10A
CT12A
DQ235
A各分力的代数和
B各分力的矢量和
C零
D各分力之差
A减振器性能减弱
B主销后倾角改变
C轮胎气压不平衡
D单侧悬挂弹簧弹力不足
A水温修正
B怠速稳定修正
C空燃比反馈修正
D爆震传感器修正