2025-12-06 17:16:47 来源:勒克斯教育网
2025年高职单招《机电类》每日一练试题12月06日,可以帮助我们积累知识点和做题经验,进而提升做题速度。通过高职单招每日一练的积累,助力我们更容易取得最后的成功。
判断题
1、攻螺纹前的底孔直径必须大于螺纹标准中规定的螺纹小径。()
答 案:对
2、铁素体是碳溶解与体心立方晶格α-Fe中所形成的固溶体。()
答 案:对
单选题
1、全剖视图选用的是( )剖切面。
答 案:D
解 析:全剖视图选用的剖切面可以是单一剖切面,如通过机件的对称平面剖切;也可以是几个平行的剖切面,用于展示机件内部不同层次的结构;还可以是几个相交的剖切面,适用于机件内部具有回转轴且分布在几个相交平面内的结构。根据机件的具体形状和结构特点,选择合适的剖切面能够更清晰、准确地表达机件的内部结构。
2、一般情况下,连接件在发生剪切变形的同时,它与被连接件接触面上将受到较大的压力作用,从而出现局部变形,这种现象称为()
答 案:C
解 析:零件发生剪切的同时,往往伴有挤压变形,即两构件在传力的接触面上,局部承受较大的挤压力,出现塑性变形或压溃现象。
多选题
1、力偶的三要素是力偶矩的大小和()
答 案:BC
2、关于互感器,下列说法正确的有()
答 案:BC
主观题
1、图4-6-3所示阶梯轴要进行大批量生产,请根据加工工艺过程,完成表4-6-1中的①②③④处的工序内容或使用设备。
答 案:①粗车外圆②车床③精车外圆、倒角、切槽④车床
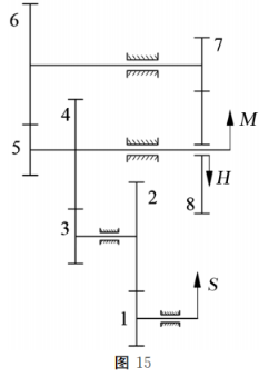
2、某钟表机构如图15所示,S、M、H分别表示秒针、分针、时针。已知Z1=8,Z2=60,Z3=8,Z5=15,Z7=12,齿轮6与齿轮7模数相同,试求齿轮4、6、8的齿数。

答 案:


填空题
1、力的作用效果是使物体的()发生变化,也可使物体发生变形。
答 案:运动状态
2、绘制正五边形时,可以采用()画法进行绘制。
答 案:近似