2025-12-04 17:41:54 来源:勒克斯教育网
2025年高职单招《机电专业》每日一练试题12月04日,可以帮助我们积累知识点和做题经验,进而提升做题速度。通过高职单招每日一练的积累,助力我们更容易取得最后的成功。
判断题
1、用万用表不同的电阻档测量二极管的正反向电阻,读数不同。
答 案:对
2、同相比例运算放大器的放大倍数为Avf=Rf/R1。()
答 案:错
单选题
1、铣床主轴变速和进给变速机构变速等级均为()
答 案:B
2、行程长时液压缸常采用的形式是()
答 案:B
多选题
1、线圈中感应电动势的大小与()成正比。
答 案:BC
2、螺旋机构的特点有()
答 案:AC
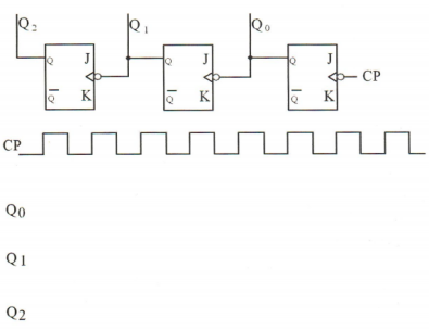
主观题
1、已知下图异步二进制计数器,各触发器的初态均为0,根据输入的波形画出各输出端Q0Q1Q2的波形,并说明它是加法计数器还是减法计数器。
答 案:
2、静载荷
答 案:静载荷:从零缓慢地增加到某一值后保持不变的载荷。
填空题
1、三相异步电动机按转子结构的不同分()和()两大类,它们中目前应用最广泛的是()异步电动机。
答 案:笼型、绕线型、笼型
2、钳工必须掌握的基本操作有:划线、()、()()钻孔、扩孔、锪孔、铰孔、攻螺纹与()、刮削与()、矫正与()、铆接与()、装配与()、测量与简单的()等。
答 案:錾削 锯削 锉削 套螺纹 研磨 弯形 焊接 调试 热处理