2025年高职单招《机械专业》每日一练试题10月22日

2025-10-22 17:48:44 来源:勒克斯教育网

课程 题库
分享到空间 分享到新浪微博 分享到QQ 分享到微信

2025年高职单招《机械专业》每日一练试题10月22日,可以帮助我们积累知识点和做题经验,进而提升做题速度。通过高职单招每日一练的积累,助力我们更容易取得最后的成功。

判断题

1、由电阻定律可知,除材质、长度和横截面积三个因素以外,其他因素都不影响电阻的大小。()

答 案:错

2、若将两个电容器串联,则电容器组的耐压值是两个电容器耐压值之和。()

答 案:错

3、互感系数决定于两个线圈的自感系数及耦合系数。()

答 案:对

单选题

1、当一对渐开线齿轮的中心距略有变化时,其瞬时传动比()  

  • A:变大
  • B:变小
  • C:不变
  • D:以上都有可能

答 案:C

2、螺纹的五个要素是()  

  • A:牙型、直径、螺距、旋向和旋合长度
  • B:牙型、直径、螺距、线数和旋向
  • C:牙型、直径、螺距、导程和线数
  • D:牙型、直径、螺距、线数和旋合长度

答 案:B

3、对于一个零件来说,主要设计基准在同一方向上有()  

  • A:两个
  • B:一个
  • C:三个
  • D:无限制

答 案:B

填空题

1、粗车外圆表面时,应先加工()的外圆,再加工()的外圆,以避免一开始就降低()。

答 案:直径大,直径小,工件的刚度

2、已知某直流电源内阻R0=2Ω,测得其端电压为230V;接入负载后,测得输出电流I=5A,则其电动势E=()V,负载消耗的功率P=()W。

答 案:230,1100

3、淬硬性是指钢在理想条件下淬火成()后所能达到的()硬度。

答 案:马氏体,最高

简答题

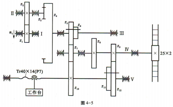
1、(2018年高考题)如图4-5所示传动系统,动力由Ⅰ轴输入,按图中箭头所示方向转动,已知Ⅰ轴转速n1=720r/min,Ⅱ轴与Ⅲ轴的轴线重合,z1=z7=z9=30,z2=z5=z11=40,z3=z6=20,z10=z12=60,z8=50,所有齿轮均为正常齿制标准齿轮,所有齿轮模数均为2mm,试回答下列问题: (1)齿轮z7是()(填“滑移”“空套”或“固定”)齿轮。 (2)齿数z4=(),其齿顶圆直径da4=()mm。齿轮z3的基圆直径db3()(填“大于”“等于”或“小于”)齿根圆直径df3。 (3)齿条分度线上的齿距()(填“大于”“等于”或“小于”)齿顶线上的齿距。 (4)图示状态下,工作台的移动方向向(),齿条的移动方向向()。 (5)工作台可以获得()种不同的移动速度,齿条可以获得()种不同的移动速度。 (6)工作台的最小移动速度为()mm/s。 (7)若安装时因为安装误差造成齿轮z1与z2的中心距稍微偏大,则传动时传动比(),啮合角()。(填“增大”“减小”或“不变”)  

答 案:(1)空套;(2)90、176、大于;(3)等于;(4)右、上;(5)3、3;(6)5.6;(7)不变、增大

解 析:该题考查了滑移齿轮变速机构的末端为齿条传动这一知识点。滑移齿轮变速机构中,有个空套齿轮,要学会写传动链。注意:求齿条移动的距离和移动的速度时,先求出小齿轮同轴的齿轮转的圈数和转速。齿条移动方向根据与其啮合点的小齿轮的转向相同进行判断。

温馨提示:因考试政策、内容不断变化与调整,本站提供的以上信息仅供参考,如有异议,请考生以权威部门公布的内容为准!
备考交流
单招真题交流3群
扫一扫或点击二维码入群
猜你喜欢
换一换
阅读更多内容,狠戳这里