2025-10-17 17:38:16 来源:勒克斯教育网
2025年高职单招《机械专业》每日一练试题10月17日,可以帮助我们积累知识点和做题经验,进而提升做题速度。通过高职单招每日一练的积累,助力我们更容易取得最后的成功。
判断题
1、对电路进行等效变换时,不仅对外电路是等效的,对内电路也是等效的。()
答 案:错
2、某元件在电路中吸收20W的电功率,若电压为10V,则关联参考方向下的电流为-2A。()
答 案:对
3、实际电压源就是没有恒定电压输出的电源,实际电流源就是没有恒定电流输出的电源,理想电流源和理想电压源实际不存在。()
答 案:对
单选题
1、星形联结的对称三相电源的线电压UAB与其相电压UA的关系是()



答 案:C
解 析:当发电机绕组作星形联结时,三个相电压和三个线电压均为三相对称电压,各线电压的有效值为相电压的
倍,且各线电压在相位上比相对应的相电压超前30°。
2、在如图6-3-1所示电路中,已知
,则三相对称负载的性质和有功功率分别是()
答 案:D
3、下列传动中,效率最低的是()
答 案:D
填空题
1、如图所示,交流电压表V和V1的读数分别为10V和8V,则V2的读数为()V。
答 案:6
2、镦粗是使毛坯高度减小、横截面积增大的锻造工序,其坯料镦粗部分的高度不应大于坯料直径的()倍。
答 案:2.5~3
3、各负载的额定电压等于电源线电压时,三相负载应作()联结。三相负载作三角形联结时,UL=(),IL=()Ip,线电流在相位上滞后相应相电流()。
答 案:三角形,Up,
,30°
简答题
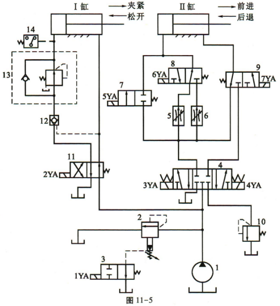
1、(2018年高考题)如图11-5所示为某液压传动系统的原理图,该液压系统能完成“I缸夹紧→Ⅱ缸快进→Ⅱ缸→工进→Ⅱ缸二工进→Ⅱ缸快退→I缸松开→卸荷、停止”的工作循环,件5比件6的节流口通流面积大,试回答下列问题:
(1)件10的作用是()。
(2)元件12的名称是(),I缸的最大夹紧力是由元件()(填序号)调定的。
(3)快进时,液压缸()(填“能”或“不能”)形成差动连接。
(4)元件4的名称是(),它与液压系统中油路相连通的油口数为()个。
(5)该系统中用两调速阀并联构成了两种不同工进速度换接回路,两次进给速度()(填“可以”或“不可以”)分别调节。
(6)填写动作循环表(电磁铁通电为“+”,失电为“-”)。
答 案:(1)背压;(2)液控单向阀、13;(3)能;(4)三位五通电磁换向阀、5;(5)可以;(6)
解 析:这是一个典型的“夹紧缸+加工缸”的顺序动作回路,也是一个常规性的题目。夹紧缸实现夹紧动作时,运用了减压回路。加工缸在快进时,实现了差动连接。工进时运用了并联两个调速阀的二次进给回路,实现了一工进和二工进。