2025-09-29 16:49:09 来源:勒克斯教育网
2025年高职单招《电子类》每日一练试题09月29日,可以帮助我们积累知识点和做题经验,进而提升做题速度。通过高职单招每日一练的积累,助力我们更容易取得最后的成功。
判断题
1、要使单相交流RLC串联电路发生串联谐振,感抗必须大于容抗。()
答 案:错
2、由三个开关并联起来控制一只电灯时,电灯的亮与不亮同三个开关的闭合断开之间的对应关系是与的逻辑关系。
答 案:错
单选题
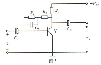
1、如图3所示电路中,C3接入后对电路性能的影响是()
答 案:C
2、如图2所示,VT1管和VT2管的饱和管压降为|UCES|=3V,负载RL=8Ω,VCC=15V。则最大不失真输出功率Pom及此时的输入电压有效值U分别为()




答 案:B
多选题
1、下列关于磁感线的说法中,正确的有()
答 案:AD
2、关于正弦量,下列描述正确的有()
答 案:BD
主观题
1、如图3所示,三极管在放大状态时,测得三极管的三个电极的管压降如图所示。试分析各三极管的电极、管型和半导体材料。

答 案:图(A):引脚(1)为发射极e,引脚(2)为集电极c,引脚(3)为基极 b,NPN管,硅管。 图(B):引脚(1)为基极b,引脚(2)为发射极e,引脚(3)为集电极c,NPN管,锗管。
2、证明逻辑函数等式成立。

答 案:(1)证明:左式=
(2)证明:左式=

填空题
1、(110011)2按权展开为()。
答 案:1x25+1x24+0x23+0x22+1x21+1x20
2、场效应管有()、()、()三种组态。
答 案:共源,共栅,共漏