2025-09-09 16:52:52 来源:勒克斯教育网
2025年高职单招《电子电工类》每日一练试题09月09日,可以帮助我们积累知识点和做题经验,进而提升做题速度。通过高职单招每日一练的积累,助力我们更容易取得最后的成功。
判断题
1、T'触发器具有将CP 脉 冲二分频功能。( )
答 案:对
2、电磁感应现象就是利用磁场产生电流。( )
答 案:对
单选题
1、逻辑函数
对应的与非式为( )




答 案:D
2、理想变压器遵从的规律是( )
答 案:A
多选题
1、已知74LS161 组成的计数器电路,图(a) 的模为 ,图(b) 的模为 。( )
答 案:C;D
2、下面说法正确的是( )
答 案:AB
主观题
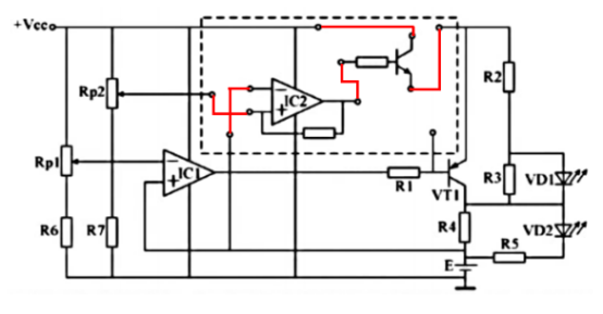
1、在对电路的测试中发现电池充满后还保持充电状态,可能会造成安全隐患,于是决定改进电路,使电池充到1.5V后能自动停止充电。在图31中画出了部分电路,请在虚线框中连接给定的元器件,将电路补充完整;
答 案:
2、列出下列逻辑函数的真值表。
答 案:解:
填空题
1、OCL 功率放大器的最大输出功率Pom= ,OTL 功率放大器的最大输出 率Pom= 。
答 案:
;
2、振荡器由 、 和 组成。
答 案:放大器 正反馈网络 选频网络