2025-09-08 17:25:03 来源:勒克斯教育网
2025年高职单招《机电类》每日一练试题09月08日,可以帮助我们积累知识点和做题经验,进而提升做题速度。通过高职单招每日一练的积累,助力我们更容易取得最后的成功。
判断题
1、在使用砂轮机时,砂轮的正确旋转方向,是使磨屑向上方飞离砂轮。()
答 案:错
2、用麻花钻钻较硬材料,钻头的顶角应比钻软材料时磨得小些。()
答 案:错
单选题
1、气压传动与机械传动、电气传动比较,不属于其优点的是()
答 案:A
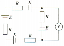
2、电路如图所示,已知每个电源的电动势均为E,电源内阻不计,每个电阻都为R,则电压表的读数为()
答 案:A
多选题
1、下列属于车床夹具的是()
答 案:CD
2、下列说法正确的有()
答 案:AD
主观题
1、如图所示,作圆内接正六边形(工具不限)。
答 案:
2、两块钢板用圆柱销连接如图2-2-42所示,钢板厚度t=10mm,圆柱销直径d=16mm,许用剪应力
=60MPa,许用挤压应力
=180MPa。求圆柱销所能承受的许可载荷P。
答 案:P1=12.1kN,P2=28.8kN,故取P=P1=12.1kN。
填空题
1、对于物体上的细小结构,可用()原图所采用的比例画出。
答 案:大于
2、低副是面接触,承受负载时压力(),便于润滑,故不易磨损。
答 案:小