2025年高职单招《电子技术基础》每日一练试题09月06日

2025-09-06 16:27:35 来源:勒克斯教育网

课程 题库
分享到空间 分享到新浪微博 分享到QQ 分享到微信

2025年高职单招《电子技术基础》每日一练试题09月06日,可以帮助我们积累知识点和做题经验,进而提升做题速度。通过高职单招每日一练的积累,助力我们更容易取得最后的成功。

判断题

1、共基极放大电路,输出电压与输入电压同相。()

答 案:对

解 析:共发射极放大电路输出电压与输入电压反相,共基极和共集电极放大电路输出电压与输人电压同相。故正确。

2、滤波的作用主要是去掉脉动电压中的交流成分,使之成为平滑的直流电压。()

答 案:对

解 析:滤波电路的作用是将脉动直流电压转变为平滑的直流电压。故正确。

3、放大电路中引入深度负反馈后,可以提高闭环增益。()

答 案:错

解 析:在放大电路中引入深度负反馈后,可以提高增益的稳定性,减小非线性失真,抑制反馈环内噪声,展宽频带,但是降低了闭环增益。故错误。

单选题

1、三端集成稳压器CW7918的输出电压、电流等级分别为()  

  • A:18V,1.5A
  • B:-18V,0.5A
  • C:-18V,1.5A
  • D:18V,0.5A

答 案:C

解 析:CW79××系列三端集成稳压器输出负电压,型号末两位数字表示输出电压值。输出电流以后面字母区分,L为0.1A,M为0.5A,无字母为1.5A。可知三端集成稳压器CW7918输出电压为-18V,输出电流为1.5A。故C正确。

2、开关式稳压电源控制电路产生一个脉冲可调的(),去控制调整管导通时间的长短。()  

  • A:三角波
  • B:锯齿波
  • C:矩形脉冲
  • D:方波

答 案:D

解 析:在开关作用下开关式稳压电源控制电路输出为方波。故D正确。

3、若一个BCD七段显示译码器的输入为0100,驱动共阴极数码显示管,则其有效输出端为()  

  • A:a、c、f、g
  • B:b、c、f、g
  • C:b、c、e、f
  • D:b、d、e、g

答 案:B

解 析:若一个BCD七段显示译码器的输入为0100,驱动共阴极数码显示管显示十进制数4,则其有效输出端为b、c、f、g。故B正确。

主观题

1、如图所示电路,三极管的β=80,rbb=100Ω,UBEQ=0.7V。分别计算当负载电阻RL=∞时的静态工作点Q、电压放大倍数Au、输入电阻Ri及输出电阻Ro  

答 案:当负载电阻RL=∞时,电路的静态工作点为 因此,电压放大倍数、输入电阻和输出电阻分别为  

2、在如图所示电路中,二极管VD为理想状态,根据电路中标出的各元件的参数,解答下列问题。 (1)二极管VD为导通状态还是截止状态? (2)求AO两端电压UAO。 (3)求电流I的大小。  

答 案:(1)因为2V<8V,所以二极管处于导通状态。 (2)AO两端电压UAO=-2V-UVD=(-2-0)V=-2V。 1=83k2Y=2mA。 (3)电流。  

3、某公司招聘人员,面试官由一名主管A和两名工作人员B与C组成,只有当两名或两名以上的面试官(其中必须有主管)认为合格了才能录用Y。试设计出这个录用显示逻辑电路。  

答 案:(1)按电路设计要求,该电路有3个输入,分别用A、B、C表示,一个输出,用Y表示。对于输入,设认为合格为逻辑1,不合格为逻辑0;对于输出,设录用为逻辑1,不录用为逻辑0。 (2)列真值表 根据所设计电路的功能要求给定的逻辑,列出该电路的真值表。 (3)由真值表写出输出逻辑表达式Y=ABC+ABC+ABC。 (4)将上述表达式进行化简Y=AB+AC=A(B+C)。 (5)根据逻辑表达式画出逻辑电路图。  

填空题

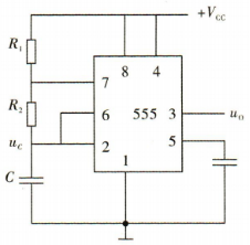
1、用555时基电路构成的典型结构的多谐振荡器的振荡周期T=()。  

答 案:0.7(R1+2R2)C

解 析:由555时基电路组成的典型多谐振荡器的电路如图所示,其振荡周期T=0.7(R1+2R2)C。  

温馨提示:因考试政策、内容不断变化与调整,本站提供的以上信息仅供参考,如有异议,请考生以权威部门公布的内容为准!
备考交流
单招真题交流3群
扫一扫或点击二维码入群
猜你喜欢
换一换
阅读更多内容,狠戳这里