2025年高职单招《土木水利类》每日一练试题07月19日

2025-07-19 17:48:49 来源:勒克斯教育网

课程 题库
分享到空间 分享到新浪微博 分享到QQ 分享到微信

2025年高职单招《土木水利类》每日一练试题07月19日,可以帮助我们积累知识点和做题经验,进而提升做题速度。通过高职单招每日一练的积累,助力我们更容易取得最后的成功。

判断题

1、现场踏勘的目的是全面了解现场实际情况,并对施工场地上的平面控制点和水准点进行校核。()

答 案:对

2、消除视差的方法是再仔细调节物镜对光螺旋,直至视差消除。()

答 案:对

单选题

1、水泥的标准稠度用水量试验中,维卡仪试杆以()情况时的水泥浆作为标准稠度水泥浆。  

  • A:试杆下降距离6±1mm
  • B:试杆距底板距离6±1mm
  • C:试杆下降距离4±1mm
  • D:试杆距底板距离4±1mm

答 案:B

2、导线测量角度闭合差的调整方法是()。  

  • A:反号按角度个数平均分配
  • B:反号按角度大小比例分配
  • C:反号按边数平均分配
  • D:反号按边长比例分配

答 案:A

多选题

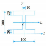
1、某工字形梁截面如下图所示,则该梁的形心位置y(y轴为该截面的竖向对称轴)和截面对形心轴的惯性矩IC分别为()。  

  • A:yc=160mm
  • B:yc=150mm
  • C:IC=93.18×106mm4
  • D:IC=92.18×106mm4

答 案:BC

2、图纸分()两种。  

  • A:描图纸
  • B:白磅纸
  • C:绘图纸
  • D:素描纸

答 案:AC

解 析:本题考察图纸的分类。

主观题

1、已知某混凝土的试验室配合比为C:S:G=1:1.95:3.98,W/C=0.56,配制1m3混凝土水泥用量为300kg。施工现场测得砂、卵石(αa=0.48,αb=0.33)的含水率分别为5%和2%;水泥采用P·O42.5普通硅酸盐水泥,该混凝土28d强度要求达到30MPa。计算: (1)施工配合比。 (2)1m3的混凝土各种材料用量。 (3)预测该混凝土28d强度,若强度不满足要求,提出改进措施。  

答 案:(1)混凝土的施工配合比 1:1.95×(1+5%):3.98×(1+2%)=1:2.05:4.06 (2)每1m3的混凝土各种材料用量 水泥用量:300kg 砂子用量:2.08×300=624kg 石子用量:4.06×300=1218kg 水用量:300×0.56-(300×1.95×5%+300×3.98×2%)=114.87kg 或:(0.56-1.95×5%-3.98×2%)×300=114.87kg (3)由混凝土强度经验公式fcu,28=aafce(C/W-ab)得; fcu,28=aafce(C/W-ab)=0.48×42.5MPa×1.13×(1/0.56-0.33)=33.56MPa 强度满足要求  

2、如下图所示“T”形截面铸铁梁,若许用拉应力[σ1]=30MPa,许用压应力[σa]=60MPa,试按正应力校核梁的强度。([I2]=763cm4)  

答 案:B截面σ1=27.3MPa<[σ1amax=46.1MPa<[σa] C截面σ’l=28.8MPa<[σ1]此梁安全  

填空题

1、根据标准方向线的种类不同,可将方位角分为()角、()和()角。  

答 案:真方位;磁方位角;坐标方位

2、水准测量观测记录中的计算检查式为()。  

答 案:Σa-Σb=Σh=H-H

温馨提示:因考试政策、内容不断变化与调整,本站提供的以上信息仅供参考,如有异议,请考生以权威部门公布的内容为准!
备考交流
单招真题交流3群
扫一扫或点击二维码入群
猜你喜欢
换一换
阅读更多内容,狠戳这里