2025年高职单招《电子电工类》每日一练试题07月13日

2025-07-13 16:37:17 来源:勒克斯教育网

课程 题库
分享到空间 分享到新浪微博 分享到QQ 分享到微信

2025年高职单招《电子电工类》每日一练试题07月13日,可以帮助我们积累知识点和做题经验,进而提升做题速度。通过高职单招每日一练的积累,助力我们更容易取得最后的成功。

判断题

1、电压互感器工作时相当于变压器运行在负载状态。()

答 案:错

2、场效应管工作在恒流区时具有放大作用。()

答 案:对

单选题

1、该集成触发器含有()  

  • A:3个JK触发器
  • B:2个D触发器
  • C:2个JK触发器
  • D:4个D触发器

答 案:C

2、在下图所示电路中,E=10V,R₀=2Ω,要使Rp 获得最大功率,Rp 应为     Ω。(   )  

  • A:0.5                
  • B:1.5               
  • C:2.5          
  • D:无法确定

答 案:C

多选题

1、多级直流放大电路中,影响零点漂移最严重的一级是     ,零点漂移最大的一级是    (    )  

  • A:输入级         
  • B:中间级         
  • C:输出级         
  • D:增益最高的一级

答 案:A;C

2、如图所示功率放大电路是(),输出信号在过零处出现的失真是()。()  

  • A:OCL功率放大电路
  • B:OTL功率放大电路
  • C:甲类功率放大电路
  • D:甲乙类功率放大电路
  • E:交越失真
  • F:饱和失真
  • G:截止失真
  • H:频率失真

答 案:BE

主观题

1、如下图所示电路中,计算电流I。(用戴维南定理求解)  

答 案:0.33A  

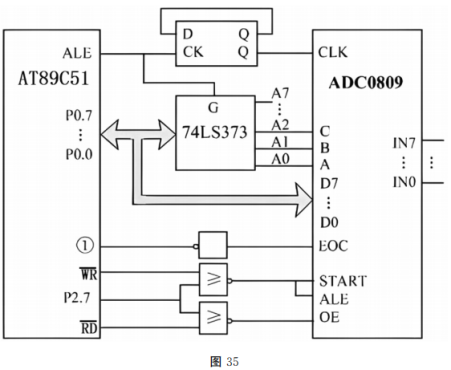
2、如图35所示,AT89C51单片机通过ADC0809进行模数转换,采用中断控制方式,请写出图35中①所对应的引脚符号,并填写程序或注释中的空白部分②~⑤。 ORG 0000H AJMP MAIN ORG 0013H;②的中断人口地址        MOVXA,@DPTR;读A/D转换结果        RETI        ORG 0100H MAIN:SETB IT1;③触发方式选择           SETB④;总中断允许 SETB⑤;允许中断 MOV DPTR,#addr;指向某一模拟输人通道 MOVX@DPTR,A;启动A/D转换 SIMP$;等待中断  

答 案:①为“INT1”;②填“外部中断1”; ③填“下降沿”;④填“EA”;⑤填“EX1”。

填空题

1、一个电热器接在10V 的直流电源上,产生一定的热功率,把它接到交流电源上,使产生的热功率与直流时相等,则交流电压的最大值是           V。  

答 案:14.14

2、焦耳定律指出:电流通过导体所产生的热量与                 成正比。  

答 案:电流;电压;时间

温馨提示:因考试政策、内容不断变化与调整,本站提供的以上信息仅供参考,如有异议,请考生以权威部门公布的内容为准!
备考交流
单招真题交流3群
扫一扫或点击二维码入群
猜你喜欢
换一换
阅读更多内容,狠戳这里