2025年高职单招《机械专业》每日一练试题07月09日

2025-07-09 17:40:15 来源:勒克斯教育网

课程 题库
分享到空间 分享到新浪微博 分享到QQ 分享到微信

2025年高职单招《机械专业》每日一练试题07月09日,可以帮助我们积累知识点和做题经验,进而提升做题速度。通过高职单招每日一练的积累,助力我们更容易取得最后的成功。

判断题

1、真空中的介电常数比其他任何物质的介电常数都小。()

答 案:错

2、两只容量不相等的电容器,如果它们所带电量相同,则电容量小的电容器两极板间的电压低。()

答 案:错

3、几个电容器串联后接在直流电源上,由于静电感应,各个电容器所带的电荷相等。()

答 案:对

单选题

1、用于速度较快或定位精度要求较高的转位装置中,实现间歇运动的机构是()  

  • A:棘轮机构
  • B:槽轮机构
  • C:间歇齿轮机构
  • D:空间间歇机构

答 案:D

2、在机械加工工艺过程中,安排零件表面的加工顺序时,先基面后其他表面的目的是()  

  • A:保证加工表面余量均匀
  • B:保证平面与孔之间的相互位置精度
  • C:使零件质量逐步提高
  • D:为其他表面的加工提供可靠的基准表面

答 案:D

3、齿轮齿面抗点蚀的能力主要与齿面的()有关。  

  • A:强度
  • B:塑性
  • C:硬度
  • D:抗疲劳强度

答 案:C

填空题

1、轴类零件的材料一般采用()和()。

答 案:碳素结构钢,合金结构钢

2、套类零件最主要的位置精度是内、外圆之间的(),用()原则保证其位置精度。

答 案:同轴度,互为基准

3、齿轮表示法中,轮齿部分一般按下列规定绘制:齿顶圆和齿顶线用()线绘制;分度圆与分度线用()线绘制;齿根圆和齿根线用()线绘制,或可省略不画。在剖视图中,齿根线用()线绘制。当剖切平面通过齿轮的轴线时,轮齿一律按()处理。当需要表示齿线的形状时,可用三条与齿线方向一致的()线表示。

答 案:粗实,细点画,细实,粗实,不剖,细实

简答题

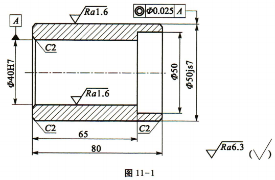
1、(2020年高考题)图11-1为套筒结构图,试回答下列问题。 (1)套筒加工中的主要问题是保证()精度和防止加工中的()。 (2)为了保证套筒的精度,采用先终加工尺寸为()表面,再以它为精基准,终加工尺寸为()表面,这样做遵循了()、反复加工的原则。 (3)为减小切削力和切削热对套筒变形的影响,加工时应采用()原则,并控制()。

答 案:(1)位置;变形;(2)基准;基准;互为基准;(3)工序分散;切削用量

温馨提示:因考试政策、内容不断变化与调整,本站提供的以上信息仅供参考,如有异议,请考生以权威部门公布的内容为准!
备考交流
单招真题交流3群
扫一扫或点击二维码入群
猜你喜欢
换一换
阅读更多内容,狠戳这里