2025年高职单招《电子电工类》每日一练试题03月29日

2025-03-29 16:49:28 来源:勒克斯教育网

课程 题库
分享到空间 分享到新浪微博 分享到QQ 分享到微信

2025年高职单招《电子电工类》每日一练试题03月29日,可以帮助我们积累知识点和做题经验,进而提升做题速度。通过高职单招每日一练的积累,助力我们更容易取得最后的成功。

判断题

1、一个四位二进制计数器最多可累计16个脉冲。(   )  

答 案:错

2、共集电极放大器虽然不能起电压放大,但可以起电流放大,因此通常用作功率放大器。(     )  

答 案:对

单选题

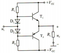
1、在图中,若T1和T2管的饱和管压降|UCES|=3V,VCC=15V,RL=82,则最大输出功率POM为()  

  • A:28W
  • B:14W
  • C:9W
  • D:2.25W

答 案:C

2、由开关组成的逻辑电路如下图所示,设开关A、B分别有如图所示为“0”和“1”两个状态,则电灯HL 亮的逻辑式为(    )  

  • A:F=AB+AB         
  • B:F=AB+AB           
  • C:F=AB+AB          
  • D:F=AB+AB

答 案:C

多选题

1、电流源电路的特点是输出电流      ,直流等效电阻      ,交流等效电阻   (   )  

  • A:大             
  • B:小              
  • C:恒定           
  • D:不变

答 案:CBA

2、差动放大电路中,当Vs1=300mV,Vs2=200mV时,分解为共模输入信号Vsc 等于 ,差模输入信号Vsd 等于       ,差模信号Vd1等于      。(    )  

  • A:500mV           
  • B:100mV         
  • C:250mV             
  • D:50mV

答 案:CBD

主观题

1、已知稳压管的稳压值UZ=6V,稳定电流的最小值IZmim=5mA。求图所示电路中 uO1和uO2各为多少伏?  

答 案:uO1=6V,uO2=5V  

2、有两个硅稳压二极管DZ1和DZ2,稳压值分别为6V和7V,且具有理想的稳压特性,求各输出电压。  

答 案:解:Vo1=1V,Vo2=5V

填空题

1、焦耳定律指出:电流通过导体所产生的热量与                 成正比。  

答 案:电流;电压;时间

2、在晶体三极管放大电路中,当输入信号一定时,静态工作点太高,将产生    失真:静态工作点设置得太低,将产生      失真。它们是由于三极管       引起的,故又称为          失真。  

答 案:饱和    截止    非线性    非线性

温馨提示:因考试政策、内容不断变化与调整,本站提供的以上信息仅供参考,如有异议,请考生以权威部门公布的内容为准!
备考交流
单招真题交流3群
扫一扫或点击二维码入群
猜你喜欢
换一换
阅读更多内容,狠戳这里