2025-12-05 16:56:40 来源:勒克斯教育网
2025年高职单招《机电类》每日一练试题12月05日,可以帮助我们积累知识点和做题经验,进而提升做题速度。通过高职单招每日一练的积累,助力我们更容易取得最后的成功。
判断题
1、应根据工件表面的形状和尺寸选择锉刀尺寸规格。()
答 案:对
2、CO2气体保护焊由于氧化性太强,所以不能用来焊接钛和钛合金。()
答 案:对
单选题
1、增大阶梯轴圆角半径的主要目的是()
答 案:C
2、三相对称负载接成三角形连接时,线电压U₁与相电压Up之间的关系为()
答 案:D
多选题
1、半剖视图常常用于()机件上()
答 案:BD
2、刮削常用的显剂有()
答 案:AD
主观题
1、如图所示传动轴,转速n=200r/min,轮A为主动轮,功率PA=60kW,轮B、C、D均为从动轮,功率PB=20kW,PC=15kW,PD=25kW。试画出该轴的扭矩图。若将轮A和轮C位置对调,试分析对轴的受力是否有利。
答 案:
两轮对调后,对轴的受力有利。
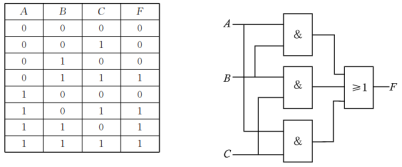
2、设计一个组合逻辑电路,要求如下:一次活动有三个裁判,当两个及以上同意时,活动才能正常进行,否则活动不进行。设计一个活动正常进行时的电路,写出设计说明,列出真值表并画出最简电路图。
答 案:
填空题
1、导电能力介于()和()之间的物质称为半导体,常用的半导体材料有()和()。
答 案:导体,绝缘体,硅,锗
2、基本RS 触发器中,R、S 为 电平有效。
答 案:低