2025-12-05 16:22:24 来源:勒克斯教育网
2025年高职单招《电子电工类》每日一练试题12月05日,可以帮助我们积累知识点和做题经验,进而提升做题速度。通过高职单招每日一练的积累,助力我们更容易取得最后的成功。
判断题
1、只要给二极管加上正向偏压,它就一定导通。()
答 案:错
2、当甲类功率放大电路的输出功率为零时,管子消耗的功率最大。()
答 案:对
单选题
1、在对称三相电压中,若V相电压为xy=220√2sin(314t+π)V,则U相和W相电压为()




答 案:B
2、对n 位 DAC, 分辨率表达式为( )




答 案:A
多选题
1、电流源电路的特点是输出电流 ,直流等效电阻 ,交流等效电阻 ( )
答 案:CBA
2、差动放大电路中,当Vs1=300mV,Vs2=200mV时,分解为共模输入信号Vsc 等于 ,差模输入信号Vsd 等于 ,差模信号Vd1等于 。( )
答 案:CBD
主观题
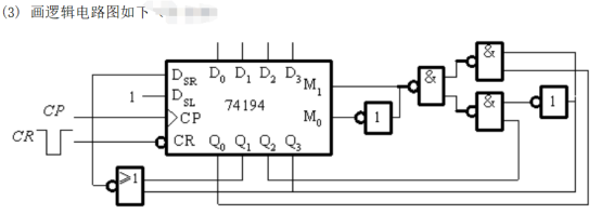
1、利用图35(a)所示移位寄存器74194功能图及适当的门电路设计如图35(b)所示的状态转换图所对应的计数器。

答 案:(1)作次态译码真值表 即按下表给出的状态序表,决定前一状态变化到后一状态时,移入的数据是0还是1以及是左移还是右移,按此设置DSR及DSL的状态和功能控制信号M1、M0 的状态。如下卡诺图所示。


2、在线电压为380V 的三相电源上,接有两组电阻性对称负载,如下图所示。试求线路上的总线电流I 和所有负载的有功功率。
答 案:I=ILY+IL△=22+17.32=39.32A, P=34. 32kW
填空题
1、AT89S51的()口为双功能口。
答 案:P3
2、由于晶体管的 工作特性,使得振荡器起振后,输出电压不断增加,最终能达到稳定状态。
答 案:非线性