考试总分:81分
考试类型:模拟试题
作答时间:90分钟
已答人数:284
试卷答案:没有
试卷介绍: 海洋监测设备维护已经整理好,需要备考的朋友们赶紧来刷题吧!
A对
B错
A对
B错
A对
B错
A对
B错
A对
B错
A燃点
B闪燃
C闪点
D自燃点
A带锯条的锯齿齿深为锯宽的1/5
B上锯轮防护置量住锯轮1/2表面
C锯条两接头之间长度为总长的1/4
D带锯机空转时噪声为75 dB(A)

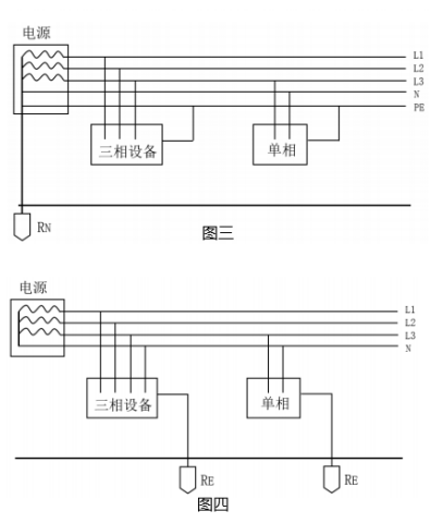
A图一
B图二
C图三
D图四
A露天作业的起重机械经受7级以上风力后,重新使用前应做安全检查
B钢丝绳滑轮组有无损伤,是否应报废,属于每日检查的内容
C液压系统及其部件的泄露情况及工作性能,属于每日检查的内容
D安全装置、制动器、操纵控制装置属于每日检查的内容
A0.8
B4
C0.66
D15
A铸造工艺用球磨机的旋转滚筒应设在全密闭罩内
B铸造车间应布置在厂区不释放有害物质的生产建筑物的上风侧
C铸造用熔炼炉的烟气净化设备宜采用干式高效除尘器
D铸造工艺用压缩空气的气罐、气路系统应设置限位、联锁和保险装置
E铸造工艺用颚式破碎机的上部直接给料,落差小于1m时,可只做密闭罩而不排风
A应用真空吸盘等专用工具代替手工操作
B通过改造模具以减少危险面积
C安装黄颜色闪烁信号灯
D安装拉手式安全装置
E就近安装录像监控装置
A危险化学品运输企业应当配备专职安全管理人员、驾驶人员、装卸管理人员和押运人员
B不得用铁底板车及汽车挂车运输强氧化剂、爆炸品及用铁桶包装的一级易燃液体
C放射性物品应用专用运输搬运车和抬架搬运,装卸机械应按规定负荷降低30%的装卸量
D没有采取可靠的安全措施时,禁止用电瓶车、翻斗车、铲车、自行车等运输爆炸物品
E通过内河封闭水域运输液氯时,必须使用符合安全要求的运输工具,禁止用小型机帆船、小木船和水泥船承运
A围墙与危险性的建筑物、构筑物之间的距离宜设为12m,且不应小于5m
B距离危险性建筑物。构筑物外墙四周5m内宜设置防火隔离带
C危险品生产区内的危险性建筑物与本企业总仓库区的最小允许距离,应分别按建筑物的危险等级和计算药性计算后取其最大值
D烟花爆竹企业的危险品销毁场边缘距场外部的最小允许距离不应小于65m一次销毁药量不应超过20kg
E危险性建筑物中抗爆间室的危险品药量必须计入危险性建筑物的计算药量
A维修工具坠落事故
B脱绳事故
C脱钩事故
D吊钩断裂事故
E断绳事故