2025年高职单招每日一练《机械专业》12月12日

考试总分:10分

考试类型:模拟试题

作答时间:60分钟

已答人数:299

试卷答案:有

试卷介绍: 2025年高职单招每日一练《机械专业》12月12日专为备考2025年机械专业考生准备,帮助考生通过每日坚持练习,逐步提升考试成绩。

开始答题

试卷预览

  • 1. 与恒压源并联的元件对外电路而言可以视为断路。()

    A

    B

  • 2. 电场能量与电容器两端的电压是线性关系。()

    A

    B

  • 3. 两个正弦交流电正交,就是指它们的相位差为π/2。()

    A

    B

  • 1. 下列几种材料中,在结晶时是恒温的是()  

    A45钢

    BT10

    C含碳量为4.3%的铸铁

    D含碳量为3.5%的铸铁

  • 2. 能保证瞬时传动比恒定的是()传动。  

    A摩擦轮

    B

    C

    D齿轮

  • 3. 若某点有一个坐标值为0,则该点一定在()  

    A空间中

    B投影面上

    C坐标轴上

    D原点处

  • 1. (2018年高考题)渐开线上各点的曲率半径不相等,基圆上的曲率半径等于(),当基圆半径趋于无穷大时,渐开线变成()线。一条发生线在周长为L的基圆上做纯滚动,滚过的线段长度为,则基圆上对应被滚过的圆弧所对的圆心角为()。  
  • 2. Y132M-4型三相异步电动机,在电网为50Hz的条件下工作,则定子绕组形成的旋转磁场的转速为()r/min。当转差率为2%时,电动机的转速为()r/min。
  • 3. 合金元素在钢中的主要作用有强化铁素体、形成合金碳化物、提高钢的回火稳定性、()、()五种。
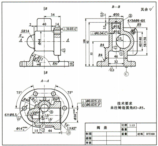
  • 1. 读如图所示零件图,试回答下列问题。 (1)阀盖零件主视图()处采用()视的画法,俯视图、左视图均采用()剖切平面剖得的()剖视图的表达方法。 (2)6×φ8.5孔的定位尺寸为()、()和()。58×58方板的厚度为(),其定位尺寸为()、()。 (3)与孔有相同表面粗糙度要求的是孔(),其基本偏差代号是()。 (4)普通螺纹Mφ8-6H中,旋合长度代号为(),()(选“大径”或“小径”)公差带代号为6H。 (5)标①的线条是()和()相交形成的()线。 (6)标②的结构槽如标注成槽宽×槽深,则应标注成()。 (7)位置公差中,基准要素是(),被测要素是()。