考试总分:55分
考试类型:模拟试题
作答时间:90分钟
已答人数:299
试卷答案:没有
试卷介绍: 焊接质量检测与安全已经整理好,需要备考的朋友们赶紧来刷题吧!
A①
B②
C③
D④
A临边作业
B洞口作业
C悬空作业
D攀登作业
A电梯井首层应设置一层水平安全网
B施工层及其他每隔三层且不大于10m设一道水平安全网
C施工层的下一层的井道内设置一道硬质隔断以防物件掉落
D施工层的下一层的勾头螺栓上架设两根横向钢管,两根纵向钢管,并在钢管框架上满铺脚手板
A1m
B2m
C4m
D6m

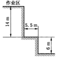
A20m
B14m
C6m
D5.5m