2025年高职单招每日一练《电工技术基础与技能》12月7日

考试总分:10分

考试类型:模拟试题

作答时间:60分钟

已答人数:1868

试卷答案:有

试卷介绍: 2025年高职单招每日一练《电工技术基础与技能》12月7日专为备考2025年电工技术基础与技能考生准备,帮助考生通过每日坚持练习,逐步提升考试成绩。

开始答题

试卷预览

  • 1. 平行四边形定则可以进行几个同频率的正弦电流的加减运算。  

    A

    B

  • 2. 人们平时所用的交流电压表、电流表测出的数值都是有效值。()

    A

    B

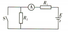
  • 1. 如图所示电路,已知电阻R1=12Ω,R2=8Ω。当开关S断开时,电流表的示数为0.5A;当开关S闭合时,电流表的示数为0.75A。则电源电动势E和内阻r为()

    AE=12V,r=2Ω

    BE=12V,r=4Ω

    CE=10V,r=2Ω

    DE=10V,r=4Ω

  • 2. 如图所示,水平放置的光滑杆上套有A、B、C三个金属环,其中B接电源。在接通电源的瞬间,A、C两环()  

    A都被B吸引

    B都被B排斥

    CA被吸引,C被排斥

    DA被排斥,C被吸引

  • 1. 有一理想单相变压器原绕组的匝数N1=800匝,副绕组匝数N2=200匝,原边电压U1=220V,接入纯电阻性负载后,副边电流I2=8A。求变压器的副边电压U2、原边电流I1和变压器的输入、输出功率。  
  • 2. 在如图所示的电路中,已知US=12V,R1=4kΩ,R2=8kΩ,C=1μF,开关闭合前电路已处于稳态,t=0时开关S闭合。求开关S闭合后的uC(0+)、iC(0+)及其他各电流的初始值。
  • 1. 如图所示电路,稳定时线圈中的电流IL=()A,其两端电压UL=()V,储存的磁场能WL=()J。
  • 2. 三个及三个以上支路的连接点叫作();由几个支路组成的闭合路径叫作()  
  • 1. 简述什么叫保护接零及保护接零的作用。
  • 2. 在RC电路中,时间常数T的大小有何意义?