2025年高职单招每日一练《电子电工类》12月4日

考试总分:10分

考试类型:模拟试题

作答时间:60分钟

已答人数:1358

试卷答案:有

试卷介绍: 2025年高职单招每日一练《电子电工类》12月4日专为备考2025年电子电工类考生准备,帮助考生通过每日坚持练习,逐步提升考试成绩。

开始答题

试卷预览

  • 1. 稳定振荡管的工作点,有利于提高振荡频率稳定度。(     )  

    A

    B

  • 2. 变压器的容量指的是它能为负载提供的有功功率。()

    A

    B

  • 1. 如右上图所示电路中,IS1=3A,IS2=2A,US=10V,则以下正确的是()  

    A恒流源IS1的输出电功率为30W

    B恒流源IS1消耗电功率为30W

    C恒压源US消耗功率为5W

    D恒流源IS2消耗的电功率为5W

  • 2. AT89S51和AT89S52单片机的主要区别是()

    AI/O口的数目

    B内部数据存储器和程序存储器的数目

    C内部数据存储器和程序存储的类别

    D芯片引脚的数目

  • 1. 差动放大电路中,当Vs1=300mV,Vs2=200mV时,分解为共模输入信号Vsc 等于 ,差模输入信号Vsd 等于       ,差模信号Vd1等于      。(    )  

    A500mV           

    B100mV         

    C250mV             

    D50mV

  • 2. 下面说法正确的是(    )  

    A电路中R1的作用是充当T1的集电集负载               

    BD1和 D2作用是消除交越失真

    C电路中R1的作用是增大输出功率                     

    DD1和 D2作用是减小三极管的穿透电流

  • 1. 如图所示,电路中对称负载连成三角形,已知电源电压UL=220V,电流表读数为17.3A,三相功率P=4.5kW。试求A线断开时,各线电流、相电流和三相总功率。  
  • 2. 若电源电压低于变压器的额定电压,输出功率应如何适当调整?若负载不变会引起什么后果?  
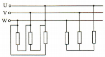
  • 1. 如下图所示,已知三相对称交流电源的线电压为380V,分别接入三角形和星形对称负载,星形负载的阻值为10Ω,三角形负载的阻值为30Ω,则星形负载的线电流为()A,负载消耗的功率为()W;三角形负载的线电流为()A,负载消耗的功率为()W。  
  • 2. 对称三相电路,负载为星形连接,测得各相电流均为5A,则中线电流IN=();当U相负载断开时,则中线电流IN=()。有一对称三相负载Y形连接,每相阻抗均为22Ω,功率因数为0.8,测出负载中的电流是10A。