考试总分:10分
考试类型:模拟试题
作答时间:60分钟
已答人数:383
试卷答案:有
试卷介绍: 2025年高职单招每日一练《电子电工类》12月1日专为备考2025年电子电工类考生准备,帮助考生通过每日坚持练习,逐步提升考试成绩。
A对
B错
A对
B错
A4个
B8个
C10个
D16个
A振荡器比放大器电源电压高
B振荡器比放大器失真小
C振荡器无需外加激励信号,放大器需要外加激励信号
D振荡器需要外加激励信号,放大器无需外加激励信号
A500mV
B100mV
C250mV
D50mV
AOCL功率放大电路
BOTL功率放大电路
C甲类功率放大电路
D甲乙类功率放大电路
E交越失真
F饱和失真
G截止失真
H频率失真
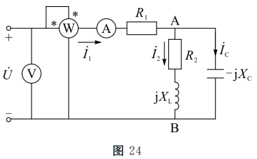
(2)XC、电压表的读数U;
(3)电路的无功功率Q、功率因数cosφ。