2025年高职单招每日一练《机械专业》11月30日

考试总分:10分

考试类型:模拟试题

作答时间:60分钟

已答人数:713

试卷答案:有

试卷介绍: 2025年高职单招每日一练《机械专业》11月30日专为备考2025年机械专业考生准备,帮助考生通过每日坚持练习,逐步提升考试成绩。

开始答题

试卷预览

  • 1. 由公式可知,电容储存的电荷越多,电容越大。()

    A

    B

  • 2. 闭合电路欧姆定律实际上就是KVL的一种体现。()

    A

    B

  • 3. 频率不同的交流电可同时用解析式表达出来,也可在同一相量图中画出。()

    A

    B

  • 1. 一对渐开线斜齿圆柱齿轮在啮合的过程中,一对齿廓上的接触线()  

    A由短变长逐渐变化

    B由长到短逐渐变化

    C由短变长再到短逐渐变化

    D始终保持不变

  • 2. (2019年高考题)某一差动液压缸,已知活塞面积为A1,活塞杆面积为A3,当v快退=V快进时,A1与A3之比为()  

    A2:3

    B2:1

    C3:2

    D3:1

  • 3. 下列选项中,不属于工艺基准的是()  

    A定位基准

    B设计基准

    C工序基准

    D测量基准

  • 1. 已知一台型号为Y2-200L2-6的三相异步电动机,额定转差率为0.03,则额定转速为()r/min。若铭牌电压为380V/220V,则电动机每相定子绕组上的额定电压为() V。当电源电压为220V时,则定子绕组应接成()。
  • 2. 当两轴承孔的同轴度误差较大,为避免轴承过早、过度磨损,常选用()滑动轴承。
  • 3. 在滑动轴承中,用垫片调整轴承径向间隙的是()滑动轴承,能自动调整轴线偏角的是()滑动轴承。  
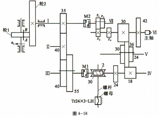
  • 1. 如图4-18所示轮系,已知n1=1440r/min,轮1可在A、B点之间上下移动,z1=27,z2=18,z4=22,其余各齿轮齿数和轮1的转向如图所示,轮1的直径为400mm,其圆柱面与轮2的端面紧密压合,轮2上A点的回转半径rA=500mm,B点的回转半径rB=200mm,蜗轮与螺杆连成一体,试回答下列问题: (1)若用展成法加工齿轮z3时,标准齿条刀具的模数为3mm,刀具移动速度为198mm/s,被加工齿轮z3的角速度为6rad/s,齿条刀具中线与被加工齿轮中心的距离为35mm,则z3=(),径向变位量为()mm。 (2)若z1、z2为标准齿轮传动,则z3、z4构成()齿轮传动。 (3)主轴共有()级转速。 (4)当离合器M1断开、M2合上时,螺母的最慢移动速度为()mm/min,移动方向向()。 (5)当离合器M2断开、M1合上时,螺母的最快移动速度为()mm/min。当离合器M1、M2均断开时,若主轴转1r,螺母的最大移动量为()mm。