2025年高职单招每日一练《电子电工类》11月29日

考试总分:10分

考试类型:模拟试题

作答时间:60分钟

已答人数:1208

试卷答案:有

试卷介绍: 2025年高职单招每日一练《电子电工类》11月29日专为备考2025年电子电工类考生准备,帮助考生通过每日坚持练习,逐步提升考试成绩。

开始答题

试卷预览

  • 1. 为了增大从电流源索取的电流并增大带负载的能力,应选择电流并联负反馈放大电路。()

    A

    B

  • 2. 一条马路上的灯总是同时亮、同时灭,因此这些灯都是串联接入电网的。(   )  

    A

    B

  • 1. 若三级放大器各级电压放大倍数分别为10、20、30,则总的电压增益为     dB。 (    )  

    A60                              

    B6000                          

    C75                              

    D150

  • 2. 如下图所示电路,接有负载的理想变压器的初级输人阻抗为50Ω,则变压器的匝数比N1:N2为()  

    A4:1

    B2:1

    C1:2

    D1:4

  • 1. 电路通电测试,当IC1的输出为低电平时,VD1、VD2同时发光,无法正确指示快充与慢充状态,可能的原因有(多选)  

    AR1阻值偏大

    BR1阻值偏小

    CR阻值偏小

    DR:阻值偏大

  • 2. 多级直流放大电路中,影响零点漂移最严重的一级是     ,零点漂移最大的一级是    (    )  

    A输入级         

    B中间级         

    C输出级         

    D增益最高的一级

  • 1. 在如图所示反相器中, (1)设Rk=3kΩ,RB=20kΩ,RC=3kΩ,VCC=12V,VBB=-12V,试问β值最小应为多少才能满足饱和条件? (2)设β=30,RB=30kΩ,试问Rk的阻值最大应为多少才能满足饱和条件?  
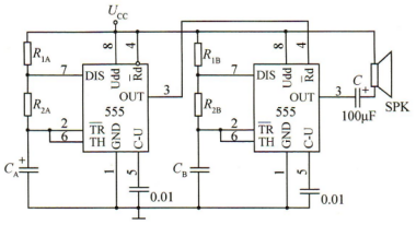
  • 2. 如图如下图所示,电路工作时能够发出“呜……呜……”间歇声响,试分析电路的工作原理。R1A=100kΩ,R2A=390kΩ,CA=10μF,R1B=100kΩ,R2B=620kΩ,CB=1000pF,则fA、fB分别为多少?  
  • 1. 常用的组合逻辑电路有                                                         。  
  • 2. 三相三线制电路中,测量三相有功功率通常采用()法。