2025年高职单招每日一练《电子电工类》11月22日

考试总分:10分

考试类型:模拟试题

作答时间:60分钟

已答人数:955

试卷答案:有

试卷介绍: 2025年高职单招每日一练《电子电工类》11月22日专为备考2025年电子电工类考生准备,帮助考生通过每日坚持练习,逐步提升考试成绩。

开始答题

试卷预览

  • 1. 组合逻辑电路的输出只取决于输入信号的现态。()

    A

    B

  • 2. 为了防止负载短路导致线路烧毁,通常都在中线上装设熔断器来实现负载的短路保护。()

    A

    B

  • 1. 改进型电容三点式振荡器的主要优点是()  

    A容易起振

    B振幅稳定

    C频率稳定度较高

    D减小谐波分量

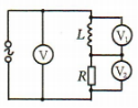
  • 2. 如下图所示电路中,交流电压表的读数分别是:V为10V,V1为8V。则V2的读数是()  

    A8V

    B6V

    C2V

    D10V

  • 1. 已知74LS161 组成的计数器电路,图(a) 的模为        ,图(b) 的模为       。(    )  

    A10              

    B11                     

    C12              

    D13

  • 2. 电流源电路的特点是输出电流      ,直流等效电阻      ,交流等效电阻   (   )  

    A大             

    B小              

    C恒定           

    D不变

  • 1. 设集成运算放大电路的开环电压放大倍数足够大,输出端接量程为5V 的电压表,电流为500μA, 用它制成测电压、电流和电阻的三用表。 (1)测量电压的电路原理图,如图(a) 所示。若想得到25V、15V、10V、1V、0.5V五种不同量程,电阻R1、R2、R3、R4、R5各为多少? (2)测量小电流的电路原理图,如图(b)所示。若想测量5mA、1mA、0.5mA、0.1mA、50μA的电流时分别使输出端5V量程电压表达到满量程,电阻R1、R2、R3、R4、R5各为多少? (3)测量电阻的电路原理图,如图(c)所示。若输出电压表指针分别指5V、1V、0.5V,被测电阻RX分别为多少?  
  • 2. 双端输出的差动放大电路如图所示,已知RC1=RC2=3kΩ,RE=5.1kn,每个三极管的UBE=0.7V,β=50,rBE=2kΩ,RS1=RS2=0.2kΩ。求: (1)静态电流ICQ1及VCQ1: (2)差模电压放大倍数Avd差模输入电阻rid、输出电阻ro。  
  • 1. 使剩磁为零时的反向磁场强度叫做          。  
  • 2. 若电路较复杂,难以根据电源的极性判定电路中的电流方向时,可先设定一个电流方向,称为           。