2025年高职单招每日一练《机械专业》11月10日

考试总分:10分

考试类型:模拟试题

作答时间:60分钟

已答人数:1609

试卷答案:有

试卷介绍: 2025年高职单招每日一练《机械专业》11月10日专为备考2025年机械专业考生准备,帮助考生通过每日坚持练习,逐步提升考试成绩。

开始答题

试卷预览

  • 1. 触电伤人的主要原因是电流。()

    A

    B

  • 2. n个容量皆为C的电容器并联时,其等效电容为。()

    A

    B

  • 3. 电容器的电场能与电容器两端的电压成正比。()

    A

    B

  • 1. 技术制图中常用的图线有()  

    A8种

    B6种

    C7种

    D15种

  • 2. 切削热可通过多种形式传导或散发,其中带走热量最多的是()  

    A空气介质

    B刀具

    C切屑

    D工件

  • 3. 在相互啮合的一对正角度变位齿轮传动中,其节圆的关系是()  

    A相交

    B相切

    C相离

    D无法确定

  • 1. 某间歇齿轮机构,欠齿轮上有1个齿,另一齿轮上有6个齿,当主动轮转过3周时,从动轮转过()个齿,转过()°。
  • 2. 在装配图中,可以单独画出某一零件的视图,但必须在所画视图的上方注出该零件的(),在相应视图的附近用箭头指明(),并注上同样的()。
  • 3. 车螺纹时,应保证螺纹车刀的()位移与工件回转的()位移成()比。
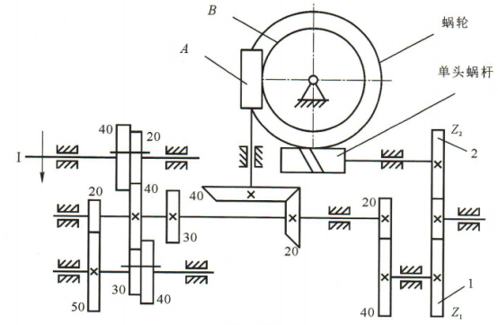
  • 1. 如图所示为某滚齿机工作台的传动系统。动力从轴I输入,转速为960r/min,A为双头滚刀,B为被加工齿轮,齿数为64,单头蜗杆的直径系数q=18,蜗轮的模数为2mm,齿数为40。求: (1)齿轮1、2的传动比i12; (2)被加工齿轮的最高转速; (3)蜗杆的螺旋角和齿顶圆直径。