考试总分:10分
考试类型:模拟试题
作答时间:60分钟
已答人数:1047
试卷答案:有
试卷介绍: 2025年高职单招每日一练《电工技术基础与技能》10月31日专为备考2025年电工技术基础与技能考生准备,帮助考生通过每日坚持练习,逐步提升考试成绩。
A对
B错
A对
B错

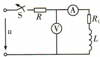
A电压表指针反打,因为过压而损坏
B电流表指针反打,因为过流而损坏
C电压表、电流表都安全
D无法确定
A通电金属环产生磁场
B铁磁材料被外磁场磁化而显现磁性
C在条形磁铁拔出螺线管的过程中,螺线管跟着磁铁运动
D运动电荷在磁场中运动
(1)求等效电路的电动势Uoc。
(2)求等效电路的内阻RAB。
(3)当负载R为多大时负载获得最大功率,并求此最大功率Pmax。
