2025年高职单招每日一练《电子电工类》10月24日

考试总分:10分

考试类型:模拟试题

作答时间:60分钟

已答人数:708

试卷答案:有

试卷介绍: 2025年高职单招每日一练《电子电工类》10月24日专为备考2025年电子电工类考生准备,帮助考生通过每日坚持练习,逐步提升考试成绩。

开始答题

试卷预览

  • 1. 电压互感器按用途分为测量用电压互感器和保护用电压互感器。()

    A

    B

  • 2. 载流直导线的磁场是一组同心圆。(    )  

    A

    B

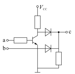
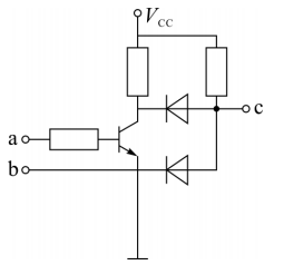
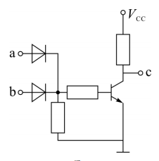
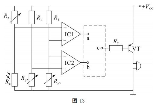
  • 1. 如图13所示报警电路,只有在光线强且温度高时蜂鸣器才不报警。已知Rt是负温度系数的热敏电阻,Rg是光敏电阻。则虚线框内的电路设计正确的是()

    A

    B

    C

    D

  • 2. 一电阻两端加15V 电压时,通过3A 的电流,若在电阻两端加18V 电压时,通过它的电流为(   )  

    A1A                             

    B3A                             

    C3.6A                           

    D5A

  • 1. 电路通电测试,当IC1的输出为低电平时,VD1、VD2同时发光,无法正确指示快充与慢充状态,可能的原因有(多选)  

    AR1阻值偏大

    BR1阻值偏小

    CR阻值偏小

    DR:阻值偏大

  • 2. 已知74LS161 组成的计数器电路,图(a) 的模为        ,图(b) 的模为       。(    )  

    A10              

    B11                     

    C12              

    D13

  • 1. 有三只电容器,电容量分别为1μF 、2μF 、3μF,串联接在330V 的电压上,求每只电容器上分得的电压各为多少?  
  • 2. 把一个线圈接到电压为20V的直流电源上,测得流过线圈的电流为0.4A。当把它改接到频率为50Hz,电压有效值为65V 的交流电源上,测得流过线圈的电流为0.5A。求线圈的参数R 和L。  
  • 1. 选用整流二极管主要考虑的两个参数是                   。  
  • 2. ADC 的主要技术指标有                               。