2025年高职单招每日一练《机电专业》10月15日

考试总分:10分

考试类型:模拟试题

作答时间:60分钟

已答人数:1206

试卷答案:有

试卷介绍: 2025年高职单招每日一练《机电专业》10月15日专为备考2025年机电专业考生准备,帮助考生通过每日坚持练习,逐步提升考试成绩。

开始答题

试卷预览

  • 1. 直接耦合放大电路只要有输入信号,输出端就会出现零点漂移。()  

    A

    B

  • 2. 硅二极管的反向漏电流比锗二极管的反向漏电流大。  

    A

    B

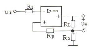
  • 1. 如图所示电路中的反馈类型是()  

    A电压串联负反馈

    B电压并联负反馈

    C电流串联负反馈

    D电流并联负反馈

  • 2. 下列不属于铣床附件的是()  

    A回转工作台

    B万能分度头

    C台虎钳

    D平口钳

  • 1. 已知单活塞杆液压缸两腔有效面积A1=2A2,液压泵供油流量为q,如果将液压缸差动连接,活塞实现差动快进,那么进入大腔的流量是(),如果不差动连接,则小腔的排油流量是()  

    A2q

    B1.5q

    Cq

    D0.5q

  • 2. 功率、转速和外力偶矩三者之间的关系为M的单位为Nm,则P、n的单位分别为()。  

    AKW

    BW

    Cr/s

    Dr/min

  • 1. 40W日光灯管的等效电阻为R=300Ω,U=220V试求:(1)通过日光灯的电流I; (2)镇流器电感L;(3)灯管上的电压UR和镇流器上的电压UL; (4)电压与电流的相位差φ;(5)画出、L、R和的相量图。
  • 2. 二力构件:  
  • 1. 机用平口虎钳的规格是以()来确定的,常用的规格有()()()、200mm、250mm.  
  • 2. 实际尺寸与公称尺寸之差称为()偏差,极限尺寸与公称尺寸之差称为()偏差,用()偏差控制()偏差。