考试总分:10分
考试类型:模拟试题
作答时间:60分钟
已答人数:308
试卷答案:有
试卷介绍: 2025年高职单招每日一练《电子电工类》10月15日专为备考2025年电子电工类考生准备,帮助考生通过每日坚持练习,逐步提升考试成绩。
A对
B错
A对
B错

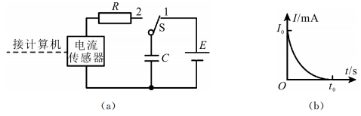
A仅将电容器C的电容增大,刚开始放电时的电流大于IO
B仅将电容器C的电容减小,刚开始放电时的电流小于IO
C仅增大电阻R的阻值,则图线与两轴所围的面积不变
D仅增大电阻R的阻值,则图线与两轴所围的面积增大
A保证电路满足幅度平衡条件
B提高放大器的放大倍数
C使某一频率的信号在放大器中满足相位平衡条件而产生自激振荡
D提高放大器的稳定性
A电路中R1的作用是充当T1的集电集负载
BD1和 D2作用是消除交越失真
C电路中R1的作用是增大输出功率
DD1和 D2作用是减小三极管的穿透电流
A输入级
B中间级
C输出级
D增益最高的一级
(1)计算三条支路电流I1、I2、I3;
(2)若B点接地,计算A点的电位UA。
=()。