2025年高职单招每日一练《电工技术基础与技能》10月15日

考试总分:10分

考试类型:模拟试题

作答时间:60分钟

已答人数:1764

试卷答案:有

试卷介绍: 2025年高职单招每日一练《电工技术基础与技能》10月15日专为备考2025年电工技术基础与技能考生准备,帮助考生通过每日坚持练习,逐步提升考试成绩。

开始答题

试卷预览

  • 1. 变压器的效率仅取决于它本身的额定损耗。()  

    A

    B

  • 2. 纯电容交流电路的无功功率为零。()  

    A

    B

  • 1. 在三相四线制星形联结的电路中,中性线的作用是()  

    A维持三相负载平衡

    B维持三相电流平衡

    C维持三相电压平衡

    D维持三相功率平衡

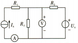
  • 2. 如图所示电路,已知电压表与电流表的读数均为正值,当电阻不变,只将电源US减小时,则()

    A电压变与电流表的示数均减小

    B电压表示数减小,电流表示数不变

    C电压表示数不变,电流表示数减小

    D电压表与电流表示数均不变

  • 1. 一个长30cm,直径6cm的空心线圈,其匝数N=1000匝,设通过线圈的电流以500A/s的速率减小,求: (1)线圈的自感系数; (2)线圈的自感电动势。
  • 2. 某阻值为200Ω的电阻器的额定功率为2W,则该电阻器的额定电压为多少?额定电流为多少?  
  • 1. 某电容器的标称值为"10μF,±10%,160V"。该电容器的电容最小可能为(),使用时的工作电压不能超过()
  • 2. 如图所示为三个电阻的伏安特性曲线,由图像可知()的阻值最大,()的阻值最小。
  • 1. 如果条形磁体的磁性减弱了,能用电流来使它增强吗?应该怎么做?  
  • 2. 软铁磁化后,磁性很容易消失,称为软磁材料;而钢等物质在磁化后,磁性能够保持,称为硬磁材料,硬磁材料可以做成永磁体,还可以用来记录信息。如图所示是录音机的录音磁头的工作原理,试说明录音机录音的工作原理。