2025年高职单招每日一练《电子电工类》10月12日

考试总分:10分

考试类型:模拟试题

作答时间:60分钟

已答人数:684

试卷答案:有

试卷介绍: 2025年高职单招每日一练《电子电工类》10月12日专为备考2025年电子电工类考生准备,帮助考生通过每日坚持练习,逐步提升考试成绩。

开始答题

试卷预览

  • 1. 射极跟随器实质是 一 个深度电压串联负反馈放大器。(   )  

    A

    B

  • 2. 三相电路的有功功率,在任何情况下都可以用二瓦计法进行测量。()

    A

    B

  • 1. 电路电流和电动势的参考方向如右上图所示,且E 和 I 均为正值,则电源E(    )  

    A吸收功率       

    B消耗功率        

    C额定功率        

    D视在功率

  • 2. 图4所示为三根平行直导线的截面图,导线中的电流大小均相同,方向均垂直纸面向里。已知A、O、C三点共线,AC与OB垂直,OA=OB=OC,若在空间施加一匀强磁场,使得O点的磁感应强度为零。则匀强磁场的方向为  

    A沿OA方向

    B沿OB方向

    C沿OC方向

    D沿BO方向

  • 1. 下面说法正确的是(    )  

    A电路中R1的作用是充当T1的集电集负载               

    BD1和 D2作用是消除交越失真

    C电路中R1的作用是增大输出功率                     

    DD1和 D2作用是减小三极管的穿透电流

  • 2. 已知74LS161 组成的计数器电路,图(a) 的模为        ,图(b) 的模为       。(    )  

    A10              

    B11                     

    C12              

    D13

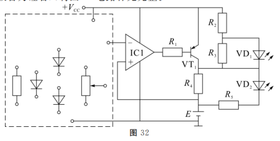
  • 1. 实验中还发现电源电压波动时,会导致快慢充转换的基准电压也发生波动。为了稳定基准电压,需要在图30的基础上进行改进,请在虚线框中连接给定的元器件(二极管为硅管),将图32电路补充完整。  
  • 2. 用最少的异或门产生8421BCD码的偶校验码。(提示:4个信息位A、B、C、D为8421BCD码,偶校验码为P)  
  • 1. 8线-3线优先编码器74LS148正常工作时,若输入信号的逻辑电平值为01101010,则输出的逻辑电平值为____。  
  • 2. 如图16所示电路,NS为有源线性电路。当US=4V、IS=2A时,I=4A;当US置零、IS单独作用时,I=3A;当IS置零、US单独作用时,I=3A。当US和IS均增加一倍且共同作用于NS时,电流I=()A。