考试总分:10分
考试类型:模拟试题
作答时间:60分钟
已答人数:731
试卷答案:有
试卷介绍: 2025年高职单招每日一练《汽车类》10月7日专为备考2025年汽车类考生准备,帮助考生通过每日坚持练习,逐步提升考试成绩。
A对
B错
A对
B错
A对
B错
A对
B错
A必定交于同一点
B不一定交于同一点
C必定交于同一点且三个力的作用线共面
D必定交于同一点但不一定是共面
A领从蹄式制动器
B盘式制动器
C双领蹄式制动器
D增力式制动器
A直观法
B直测法
C直标法
D读数法

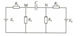
A电容器带电,所带电荷量为8×10-6C
B电容器两极板间无电位差,也不带电
C电容器N极板的电位比M极板电位高
D电容器两极板电位均为零
A戈特利布·戴姆勒
B威廉姆·迈巴赫
C亨利·福特
D奥托
A水冷却系
B油冷却系
C混合冷却系
D风冷却系