2025年高职单招每日一练《电子电工类》9月30日

考试总分:10分

考试类型:模拟试题

作答时间:60分钟

已答人数:147

试卷答案:有

试卷介绍: 2025年高职单招每日一练《电子电工类》9月30日专为备考2025年电子电工类考生准备,帮助考生通过每日坚持练习,逐步提升考试成绩。

开始答题

试卷预览

  • 1. 二进制计数器既可实现计数,也可用于分频。()

    A

    B

  • 2. 晶体三极管反相器中加速电容容量的选择同工作频率有关,一般来说,工作频率越高,加速电容选得越大。()

    A

    B

  • 1. 模为64的二进制计数器,它有()位触发器构成。()  

    A64

    B6

    C8

    D32

  • 2. 该集成触发器含有()  

    A3个JK触发器

    B2个D触发器

    C2个JK触发器

    D4个D触发器

  • 1. 一个16选1的数据选择器,其选择控制(地址)输入端有     个,数据输入端有 个,输出端有       个。(   )  

    A1                               

    B2                              

    C4                               

    D16

  • 2. 电路通电测试,当IC1的输出为低电平时,VD1、VD2同时发光,无法正确指示快充与慢充状态,可能的原因有(多选)  

    AR1阻值偏大

    BR1阻值偏小

    CR阻值偏小

    DR:阻值偏大

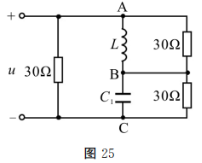
  • 1. 正弦交流电路如图25所示,若三个电阻消耗的功率完全相等。 (1)求XL和XC的大小; (2)画出的相量图,并分析三者之间关系。  
  • 2. 在RLC串联电路中,已知电阻R=44Ω,电感L=105mH,电容C=48.25μF,交流电压u=31lsin(314t+60°)V,试求: (1)写出电流的解析式; (2)电路的P、Q、S。  
  • 1. 变比大于1时为()变压器,变比小于1时为()变压器。  
  • 2. 石英晶振有两个谐振频率fS和 fP,若信号频率f=fS时,晶振呈          性;若fS或 f>fP时,晶振呈            性;若 fS P 时,晶振呈           性。