2025年高职单招每日一练《机电类》9月26日

考试总分:10分

考试类型:模拟试题

作答时间:60分钟

已答人数:124

试卷答案:有

试卷介绍: 2025年高职单招每日一练《机电类》9月26日专为备考2025年机电类考生准备,帮助考生通过每日坚持练习,逐步提升考试成绩。

开始答题

试卷预览

  • 1. 箱体工件第一划线位置应选择待加工面及孔最多的一个位置,这样有利于减少划线时的翻转次数。()

    A

    B

  • 2. 加工中产生积屑瘤的唯一因素是切削速度。()

    A

    B

  • 1. 粗牙普通螺纹,大径24,螺距1.5,右旋,中等旋合长度,其螺纹代号为()  

    AM24-1.5-LH

    BM24×1.5-LH-L

    CM24×1.5-S

    DM24×1.5

  • 2. 如图所示整流电路中的变压器U1=18V,当开关S闭合和断开时,UL分别为()  

    A22V 10V

    B16V 24V

    C16V 22V

    D22V 16V

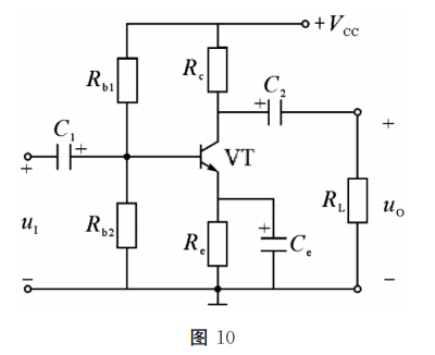
  • 1. 分压式偏置放大电路如图10所示,已知VCC=12V,Rc=3kΩ,Re=500Ω,Rb1=50kΩ,Rb2=10kΩ,RL=6kΩ,三极管VT的β=40,rbe=1kΩ,该放大电路的电压放大倍数Au和输出电阻Ro分别为()  

    AAu=-40

    BAu=-80

    CRo=2kΩ

    DRo=3kΩ

  • 2. 共发射极放大电路中,当静态工作点设置过低时,下列说法正确的是(    )  

    AIB过小         

    BRB过大         

    CIC过大         

    DRB过小

  • 1. 如图所示电路中,运算放大器的最大输出电压UOPP=±12V,稳压管的稳定电压UZ=6V,其正向压降UD=0.7V,试分析: (1)参考电压UR=+2V,输入电压Ui=1V,则输出电压UO=(); (2)参考电压UR=-2V,输入电压Ui=1V,则输出电压UO=()。  
  • 2. 如图2-1-33所示,已知主、辅视图,补画其左视图。(尺寸从图中量取,取整数)  
  • 1. 三相异步电动机主要由                        两大部分构成。  
  • 2. 画在视图轮廓线之外的断面图,称为()断面图;画在视图轮廓线之内的断面图,称为()断面图。