2025年高职单招每日一练《电子电工类》9月19日

考试总分:10分

考试类型:模拟试题

作答时间:60分钟

已答人数:1422

试卷答案:有

试卷介绍: 2025年高职单招每日一练《电子电工类》9月19日专为备考2025年电子电工类考生准备,帮助考生通过每日坚持练习,逐步提升考试成绩。

开始答题

试卷预览

  • 1. 变压器是利用电磁感应原理将一种电压等级的直流电能转变为另一种电压等级的直流电能。()

    A

    B

  • 2. 两个S 和d 相等的甲、乙两只电容器,甲的介质是空气,乙的是真空,则C>C。(       )  

    A

    B

  • 1. 彩色电视传送的图像信号不包括()  

    AUy

    BUR-Y

    CUO

    DUB-Y

  • 2. 对称三相负载每相阻抗为22Ω,作星形连接在线电压为380V的对称三相电源上,下列说法不正确的是()  

    A负载相电压UP为380V

    B负载相电流IP为10A

    C负载线电压UL为380V

    D线电流IL为10A

  • 1. 多级直流放大电路中,影响零点漂移最严重的一级是     ,零点漂移最大的一级是    (    )  

    A输入级         

    B中间级         

    C输出级         

    D增益最高的一级

  • 2. 电路通电测试,当IC1的输出为低电平时,VD1、VD2同时发光,无法正确指示快充与慢充状态,可能的原因有(多选)  

    AR1阻值偏大

    BR1阻值偏小

    CR阻值偏小

    DR:阻值偏大

  • 1. 已知稳压管的稳定电压UZ=6V,稳定电流的最小值IZmin=5mA,最大功耗PZM=150mW。试求图所示电路中电阻R的取值范围。  
  • 2. 如下图所示,设EC=12V,晶体管β=50,rbb=300Ω,RB11=100kΩ,RB21=39kΩ, RC1=6kΩ,RE1=3.9kΩ,RB12=39kΩ,RB22=24kΩ,RC2=3kΩ,RE2=2.2kΩ,RL=3kΩ,请计算、ri和rO。(提示:先求静态工作点IEQ,再求rbe)  
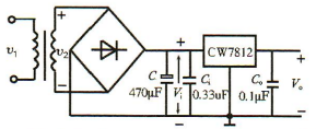
  • 1. 在下图所示电路中,其中C为            电容 ,Ci的作用是           ,Co的作用是          。输出电压Vo            ,Vi至少为           V。  
  • 2. 设相量=(3-j4)A,角频率=314rad/s,则对应的正弦量是i(t)=()A。