2025年高职单招每日一练《电子电工类》9月18日

考试总分:10分

考试类型:模拟试题

作答时间:60分钟

已答人数:1747

试卷答案:有

试卷介绍: 2025年高职单招每日一练《电子电工类》9月18日专为备考2025年电子电工类考生准备,帮助考生通过每日坚持练习,逐步提升考试成绩。

开始答题

试卷预览

  • 1. 主从 RS触发器能够避免空翻现象。(    )  

    A

    B

  • 2. 用数据选择器可实现时序逻辑电路。(     )  

    A

    B

  • 1. 一变压器的变压比为5,负载阻抗为8Ω,当输入220V的电流电时,则原边电流I1为()  

    A1.1A

    B5.5A

    C44A

    D不能确定

  • 2. 为了安全,机床上照明电灯的电压是36V,这个电压是把220V的交流电压通过变压器降压后得到的。如果这台变压器给40W的电灯供电(不计变压器的损耗),则一次侧和二次侧绕组的电流之比是()  

    A1:1

    B55:9

    C9:55

    D无法确定

  • 1. 下面说法正确的是(    )  

    A电路中R1的作用是充当T1的集电集负载               

    BD1和 D2作用是消除交越失真

    C电路中R1的作用是增大输出功率                     

    DD1和 D2作用是减小三极管的穿透电流

  • 2. 一个16选1的数据选择器,其选择控制(地址)输入端有     个,数据输入端有 个,输出端有       个。(   )  

    A1                               

    B2                              

    C4                               

    D16

  • 1. 如图所示电路中,用一个恒流源来设置静态射极电流,已知三极管的β=100,VBEQ=0.7V,rBB=200Ω。 (1)画出直流通路,求静态工作点; (2)画出交流通路; (3)求AV、AVS、ri、rO  
  • 2. 逻辑函数表达式为,使用2输入的与非门和反相器实现该式的逻辑功能,画出其相应的逻辑电路。  
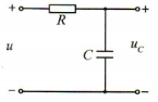
  • 1. 如下图所示,电路为移相电路,已知电容为0.01μF输入电压u=√2sin1000tV,欲使输出电压uc的相位滞后u60°,则电阻R=()kΩ,输出电压为()V。  
  • 2. 右上图中,R=100Ω,电流表的读数为5A,则电压表读数应为()V.