2025年高职单招每日一练《电子电工类》9月6日

考试总分:10分

考试类型:模拟试题

作答时间:60分钟

已答人数:604

试卷答案:有

试卷介绍: 2025年高职单招每日一练《电子电工类》9月6日专为备考2025年电子电工类考生准备,帮助考生通过每日坚持练习,逐步提升考试成绩。

开始答题

试卷预览

  • 1. 电压三角形、阻抗三角形和功率三角形都是相量图。()

    A

    B

  • 2. D触发器是特性方程为Qn+1=D,与 Qn无关,所以它没有记忆功能。(    )  

    A

    B

  • 1. 在下图所示电路中,三极管的电流放大系数β=40时,电压放大倍数AV=-50,      若调换成β=80的同类型三极管时,其电压放大倍数近似为(    )  

    A-100              

    B-25             

    C-50             

    D-80

  • 2. 如图中电路不能实现计数功能的接法是()  

    A

    B

    C

    D

  • 1. 电流源电路的特点是输出电流      ,直流等效电阻      ,交流等效电阻   (   )  

    A大             

    B小              

    C恒定           

    D不变

  • 2. 已知74LS161 组成的计数器电路,图(a) 的模为        ,图(b) 的模为       。(    )  

    A10              

    B11                     

    C12              

    D13

  • 1. 如下图1所示的电路,已知E=8V,R1=3Ω,R2=5Ω,R3=R4=4Ω,R5=0.125Ω, 试应用戴维南定理求电阻R5中的电流I。  
  • 2. 试用CT74LS138译码器和门电路来实现函数  
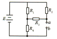
  • 1. 如左下图所示电路中,E=3.6V,R₁=10Ω,R₂=6Ω,R₃=3Ω,R₄=6Ω。若在a、b两点间接入一个电流表,则电流表的读数为             
  • 2. 电网的功率因数越高,电源的利用率就越(),无功功率就越()。